Машинатор » Метрическая резьба исо

Метрическая резьба исо

18 янв
---
2
0



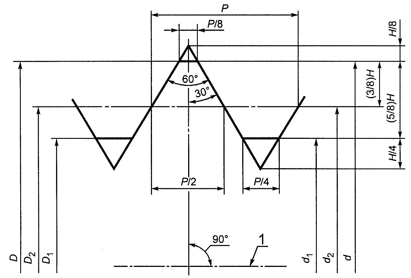
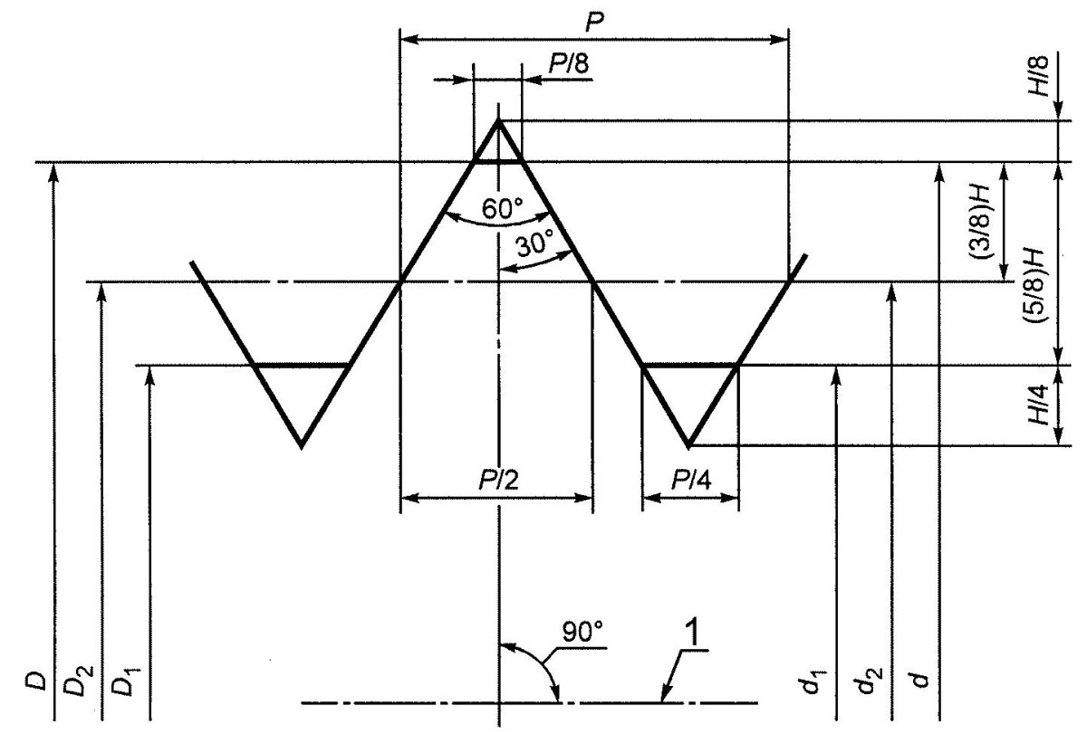
Метрическая резьба ISO
Метрическая резьба ISO



Иссометрическая резьба
Иссометрическая резьба

ГОСТ 24705-2004 резьба метрическая таблица
ГОСТ 24705-2004 резьба метрическая таблица

Резьба по ГОСТ 24705
Резьба по ГОСТ 24705

Резьба по ГОСТ 24705
Резьба по ГОСТ 24705

ГОСТ 8724-2002 резьба метрическая диаметры и шаги
ГОСТ 8724-2002 резьба метрическая диаметры и шаги

Область применения ГОСТ
Область применения ГОСТ

Резьба ISO
Резьба ISO

Таблица основного шага метрических резьб

Фото: Таблица основного шага метрических резьб


Резьба по ГОСТ 24705
Резьба по ГОСТ 24705





ГОСТ 16093-2004 резьба
ГОСТ 16093-2004 резьба

ОСТ НКТП 1260
ОСТ НКТП 1260

Метрическая резьба ОСТ
Метрическая резьба ОСТ

Метрическая резьба ISO
Метрическая резьба ISO



Таблица метрический резьба м80

Фото: Таблица метрический резьба м80


Винт м4 din 965
Винт м4 din 965

М30 1.5 резьба диаметр
М30 1.5 резьба диаметр



Резьба 1/4 20 UNC
Резьба 1/4 20 UNC

ОСТ НКТП 1260 дюймовая резьба с углом профиля 55
ОСТ НКТП 1260 дюймовая резьба с углом профиля 55

Резьба метрическая ГОСТ 24705-81
Резьба метрическая ГОСТ 24705-81







Профиль метрической резьбы м24х2
Профиль метрической резьбы м24х2













Профиль метрической резьбы м24х2
Профиль метрической резьбы м24х2



















Резьба метрическая 2.5
Резьба метрическая 2.5



Стандартная резьба м8 шаг резьбы
Стандартная резьба м8 шаг резьбы

ГОСТ 24997-2004 калибры для метрической резьбы
ГОСТ 24997-2004 калибры для метрической резьбы



Метрическая резьба с мелким шагом таблица
Метрическая резьба с мелким шагом таблица





Треугольная метрическая резьба
Треугольная метрическая резьба

Профиль резьбы метрической ГОСТ 9150-2002
Профиль резьбы метрической ГОСТ 9150-2002

Резьба трапецеидальная ГОСТ 9484-81
Резьба трапецеидальная ГОСТ 9484-81



Допуски для болтов
Допуски для болтов

Похожие фото:

Комментарии
Минимальная длина комментария - 50 знаков. комментарии модерируются
Кликните на изображение чтобы обновить код, если он неразборчив