Машинатор » Привод сцепления газ 3302

Привод сцепления газ 3302

23 янв
---
1
0

Цилиндр сцепления ГАЗ 560 Штайер
Цилиндр сцепления ГАЗ 560 Штайер

А21r23-1602408 кронштейн с педалью выключения сцепления
А21r23-1602408 кронштейн с педалью выключения сцепления





Главный цилиндр сцепления ЗМЗ 402
Главный цилиндр сцепления ЗМЗ 402

*Цилиндр сцепления рабочий 3302-1602510
*Цилиндр сцепления рабочий 3302-1602510

Кронштейн педали газа ГАЗ 3309
Кронштейн педали газа ГАЗ 3309





4301-1602290 Главный цилиндр сцепления ГАЗ
4301-1602290 Главный цилиндр сцепления ГАЗ

Цилиндр сцепления главный Газель Некст (496284000175)

Фото: Цилиндр сцепления главный Газель Некст (496284000175)


Болт картера сцепления ЗМЗ 409
Болт картера сцепления ЗМЗ 409

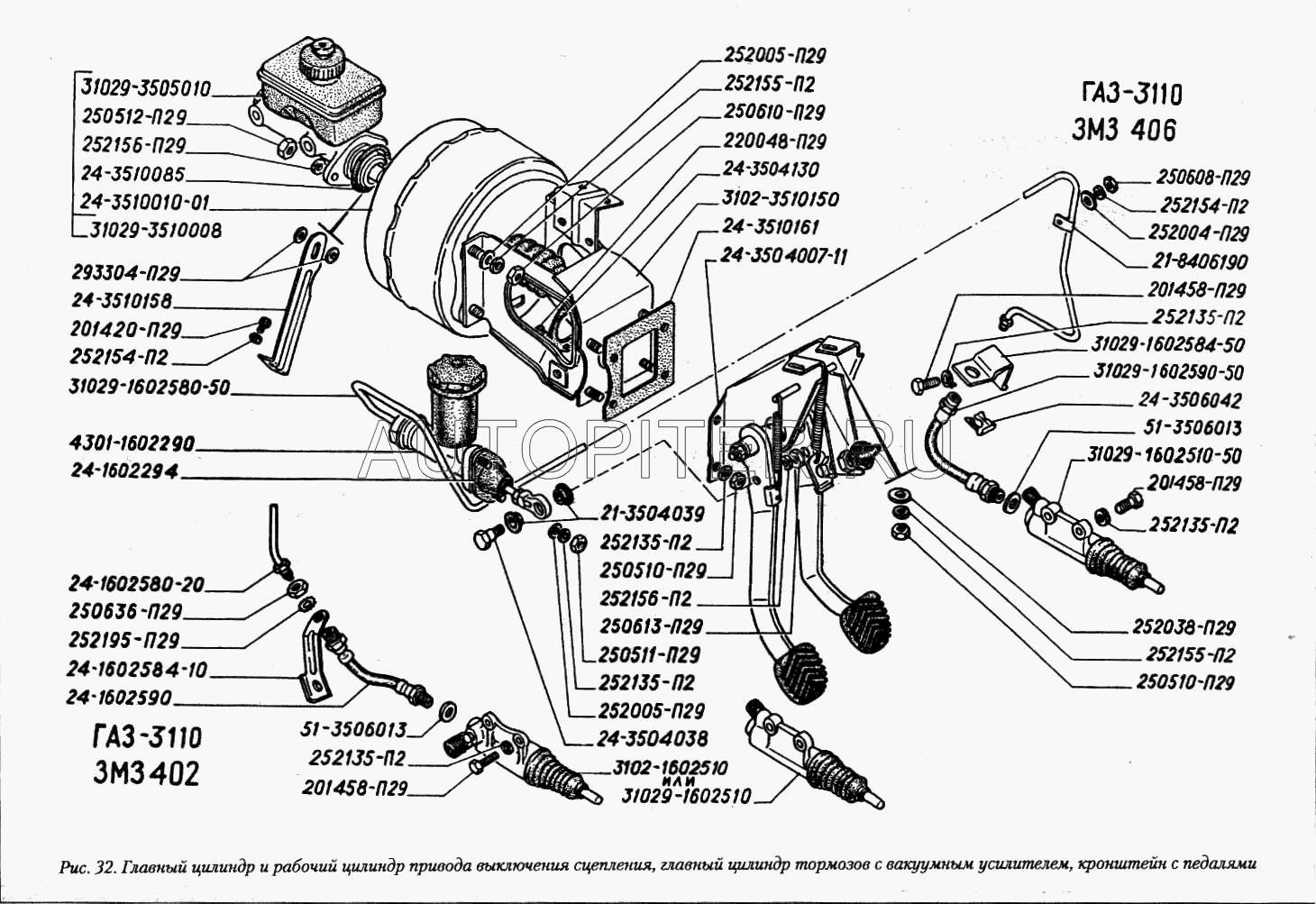
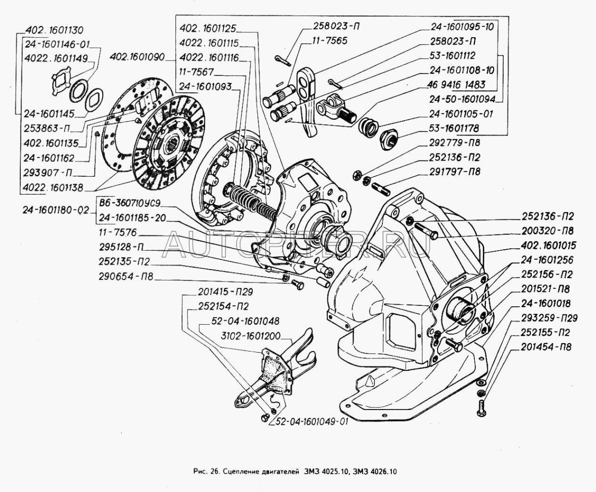
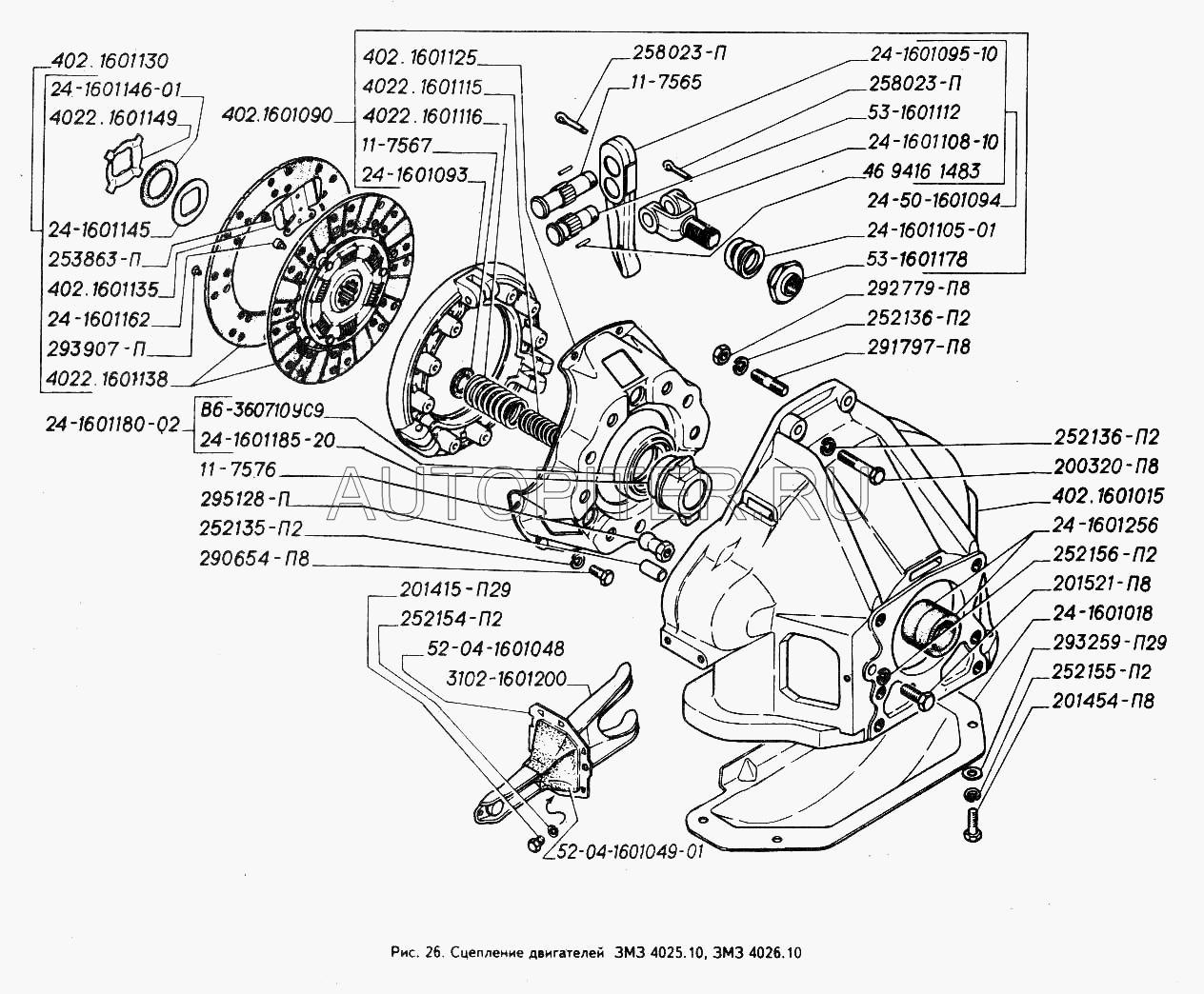
Сцепление 402 двигатель схема
Сцепление 402 двигатель схема







Цилиндр 3302-1602290 сцепления главный
Цилиндр 3302-1602290 сцепления главный

Вилка сцепления ГАЗ 3110 402 двигатель
Вилка сцепления ГАЗ 3110 402 двигатель



Цилиндр главного сцепления Газель 3302

Фото: Цилиндр главного сцепления Газель 3302




Педаль сцепления ГАЗ 33104
Педаль сцепления ГАЗ 33104





Сцепление Газель ЗМЗ 402 схема
Сцепление Газель ЗМЗ 402 схема



Кронштейн педали газа Газель 405 евро 3
Кронштейн педали газа Газель 405 евро 3

31029-1602510-50 Цилиндр сцепления рабочий
31029-1602510-50 Цилиндр сцепления рабочий



Цилиндр 3302-1602290 сцепления главный
Цилиндр 3302-1602290 сцепления главный

Главный цилиндр сцепления ГАЗ 3308
Главный цилиндр сцепления ГАЗ 3308





Цилиндр сцепления 31029-1602510
Цилиндр сцепления 31029-1602510

Цилиндр главный привода сцепления 3302-1602290
Цилиндр главный привода сцепления 3302-1602290

Цилиндр сцепления рабочий 3302 "бизнес",3302 next (оригинал)
Цилиндр сцепления рабочий 3302 "бизнес",3302 next (оригинал)





Шток сцепления Газель
Шток сцепления Газель

Главный тормозной цилиндр 3302

Фото: Главный тормозной цилиндр 3302


4301-1602510 Цилиндр рабочий привода сцепления
4301-1602510 Цилиндр рабочий привода сцепления

Кронштейн РЦС Газель бизнес 3302-1602622
Кронштейн РЦС Газель бизнес 3302-1602622

Цилиндр сцепления ГАЗ 31029 схема
Цилиндр сцепления ГАЗ 31029 схема



Сцепление Газель Некст cummins 2.8
Сцепление Газель Некст cummins 2.8







Цилиндр ГАЗ 3302 сцепления рабочий дв. 406 (Hofer) шток 102мм HF 244 252
Цилиндр ГАЗ 3302 сцепления рабочий дв. 406 (Hofer) шток 102мм HF 244 252













Привод акселератора ГАЗ 2410
Привод акселератора ГАЗ 2410



Рабочий цилиндр сцепления ГАЗ 3302
Рабочий цилиндр сцепления ГАЗ 3302


Похожие фото:

Комментарии
Минимальная длина комментария - 50 знаков. комментарии модерируются
Кликните на изображение чтобы обновить код, если он неразборчив