Машинатор » Передний мост уаз буханка

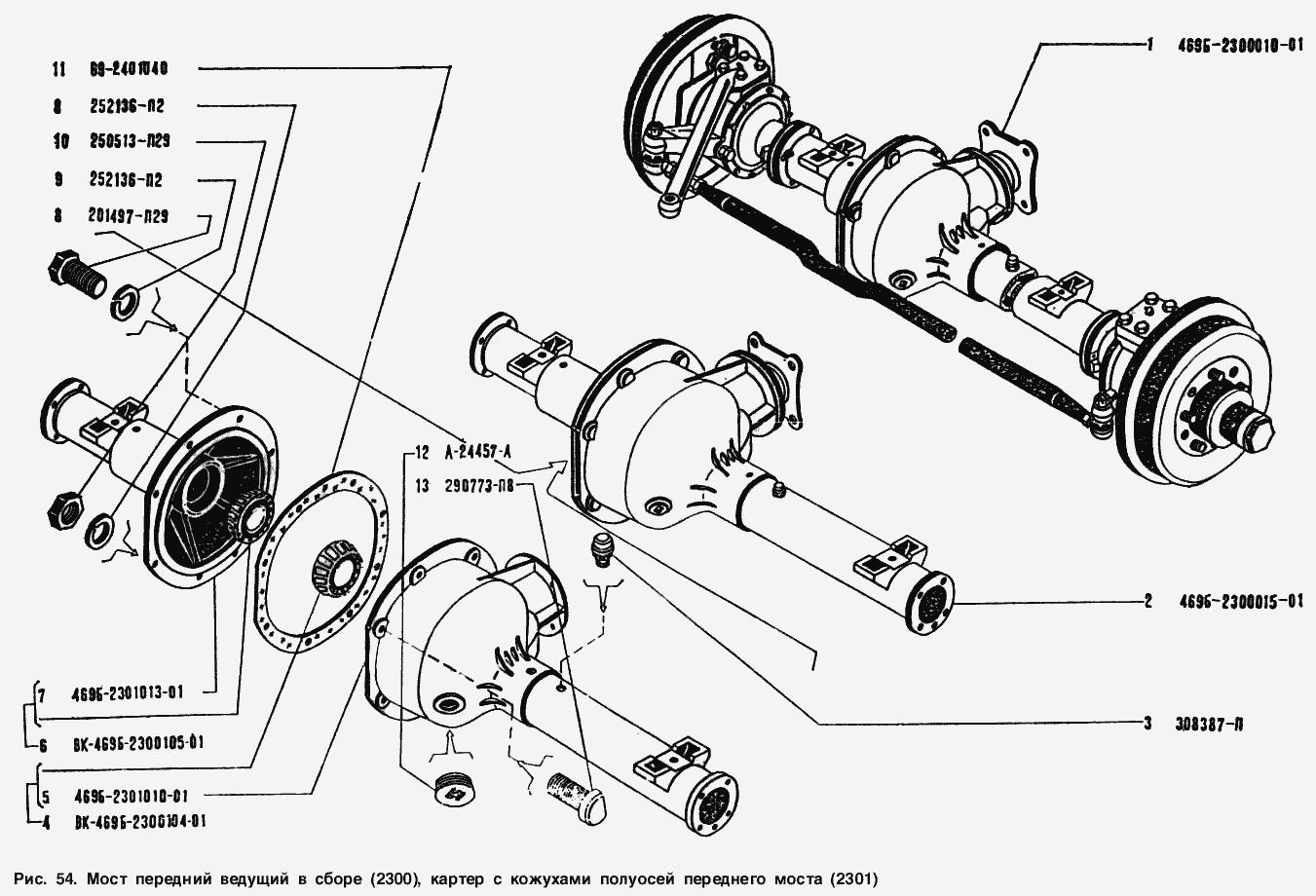
Передний мост уаз буханка

19 фев
---
1
0

Мост задний УАЗ 452 гибридный
Мост задний УАЗ 452 гибридный

Передний мост УАЗ 452 Спайсер
Передний мост УАЗ 452 Спайсер





Передний мост УАЗ гибрид
Передний мост УАЗ гибрид



Мост передний УАЗ-452 3741-2300011-98
Мост передний УАЗ-452 3741-2300011-98



Мост передний 3741-00-2300011-95 УАЗ
Мост передний 3741-00-2300011-95 УАЗ

Передний мост УАЗ 3303
Передний мост УАЗ 3303

Передний мост УАЗ 3303

Фото: Передний мост УАЗ 3303


Привод переднего моста УАЗ Буханка
Привод переднего моста УАЗ Буханка

УАЗ-469 мосты передний мост
УАЗ-469 мосты передний мост

Сборка переднего моста УАЗ 469
Сборка переднего моста УАЗ 469

Передний мост УАЗ 3909
Передний мост УАЗ 3909



Хвостовик заднего моста УАЗ 3151
Хвостовик заднего моста УАЗ 3151

Военный передний мост УАЗ 469
Военный передний мост УАЗ 469

Передний редукторный мост УАЗ 469 устройство
Передний редукторный мост УАЗ 469 устройство

Передний мост УАЗ 469

Фото: Передний мост УАЗ 469


УАЗ 3151 передний мост схема
УАЗ 3151 передний мост схема

Схема переднего военного моста УАЗ 469
Схема переднего военного моста УАЗ 469

УАЗ 469 передний мост конструкция
УАЗ 469 передний мост конструкция

Подшипник хвостовика переднего моста УАЗ 469
Подшипник хвостовика переднего моста УАЗ 469

Мост УАЗ 2206
Мост УАЗ 2206

Передний мост УАЗ 3303
Передний мост УАЗ 3303

Схема поворотного кулака УАЗ 469
Схема поворотного кулака УАЗ 469

Мост передний УАЗ-315195
Мост передний УАЗ-315195

Сборка переднего моста УАЗ 469
Сборка переднего моста УАЗ 469

Мост передний 3741-00-2300011-95 УАЗ
Мост передний 3741-00-2300011-95 УАЗ



Бортовой редуктор УАЗ 469 схема
Бортовой редуктор УАЗ 469 схема

УАЗ 469 ступица переднего моста
УАЗ 469 ступица переднего моста





Передний мост УАЗ Патриот
Передний мост УАЗ Патриот

Мост УАЗ 3741-2300011
Мост УАЗ 3741-2300011



Передний мост УАЗ 31512
Передний мост УАЗ 31512

Картер переднего моста УАЗ 469

Фото: Картер переднего моста УАЗ 469


Схема сборки поворотного кулака УАЗ 469
Схема сборки поворотного кулака УАЗ 469



Редуктор переднего моста УАЗ 469
Редуктор переднего моста УАЗ 469



Схема поворотного кулака УАЗ Буханка
Схема поворотного кулака УАЗ Буханка

Хвостовик заднего моста УАЗ 469
Хвостовик заднего моста УАЗ 469

Мост УАЗ 3741-2300011
Мост УАЗ 3741-2300011



Поворотный кулак УАЗ 469 военный мост
Поворотный кулак УАЗ 469 военный мост

Сальник полуоси УАЗ 469 передний мост
Сальник полуоси УАЗ 469 передний мост

Передний мост Спайсер УАЗ Патриот
Передний мост Спайсер УАЗ Патриот

2206-00-2301010-30 Картер переднего моста 452 Спайсер
2206-00-2301010-30 Картер переднего моста 452 Спайсер

Мост УАЗ 3741-2300011
Мост УАЗ 3741-2300011

Смазка шкворней УАЗ 469
Смазка шкворней УАЗ 469

УАЗ 469 редукторные военные мосты
УАЗ 469 редукторные военные мосты

Похожие фото:

Комментарии
Минимальная длина комментария - 50 знаков. комментарии модерируются
Кликните на изображение чтобы обновить код, если он неразборчив