Машинатор » Маркер в авиации

Маркер в авиации

09 апр
---
0
0

Маркерные радиомаяки (МРМ)
Маркерные радиомаяки (МРМ)



Маркерный радиомаяк
Маркерный радиомаяк

Маркерный радиомаяк е-615
Маркерный радиомаяк е-615

Ils система посадки
Ils система посадки

Дальний приводной радиомаяк ДПРМ
Дальний приводной радиомаяк ДПРМ

Vor DME Маяк
Vor DME Маяк



Сигнальный шар маркер СШМ-600
Сигнальный шар маркер СШМ-600

Авиационная сфера
Авиационная сфера

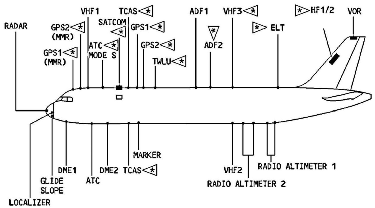
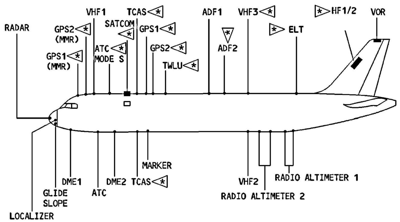
Антенны Боинг 737

Фото: Антенны Боинг 737


Localizer Antenna
Localizer Antenna





Радиокомпас adf
Радиокомпас adf

Рисовать маркерами самолеты
Рисовать маркерами самолеты

Runway markings
Runway markings



Прицел Су-35
Прицел Су-35

Garmin head up display

Фото: Garmin head up display


Схема взлетно посадочной полосы
Схема взлетно посадочной полосы

Аэродромные знаки
Аэродромные знаки

Flight Path Angle
Flight Path Angle

Бортовые аэронавигационные огни
Бортовые аэронавигационные огни

ПВО первой мировой
ПВО первой мировой

Пиктограмма самолет
Пиктограмма самолет

Радар в вар Тандер
Радар в вар Тандер

Самописец МСРП-12д
Самописец МСРП-12д



Схема светосигнального оборудования аэропорта
Схема светосигнального оборудования аэропорта

Самолет спереди вектор
Самолет спереди вектор

Символ авиации
Символ авиации

Самолет вектор
Самолет вектор

Самолетик с пунктиром
Самолетик с пунктиром







Dvor DME 2000
Dvor DME 2000



Маркировка грунтовой ВПП

Фото: Маркировка грунтовой ВПП


Настольная игра самолеты
Настольная игра самолеты

Взлетно посадочная полоса Пулково
Взлетно посадочная полоса Пулково



Глиссадные огни ВПП
Глиссадные огни ВПП



ТРЛК 12а6 сопка-2
ТРЛК 12а6 сопка-2



Аэродромный обзорный радиолокатор АОРЛ-1ам
Аэродромный обзорный радиолокатор АОРЛ-1ам

АРК-15 Радиокомпас
АРК-15 Радиокомпас

Входные маркеры ВПП
Входные маркеры ВПП

Похожие фото:

Комментарии
Минимальная длина комментария - 50 знаков. комментарии модерируются
Кликните на изображение чтобы обновить код, если он неразборчив