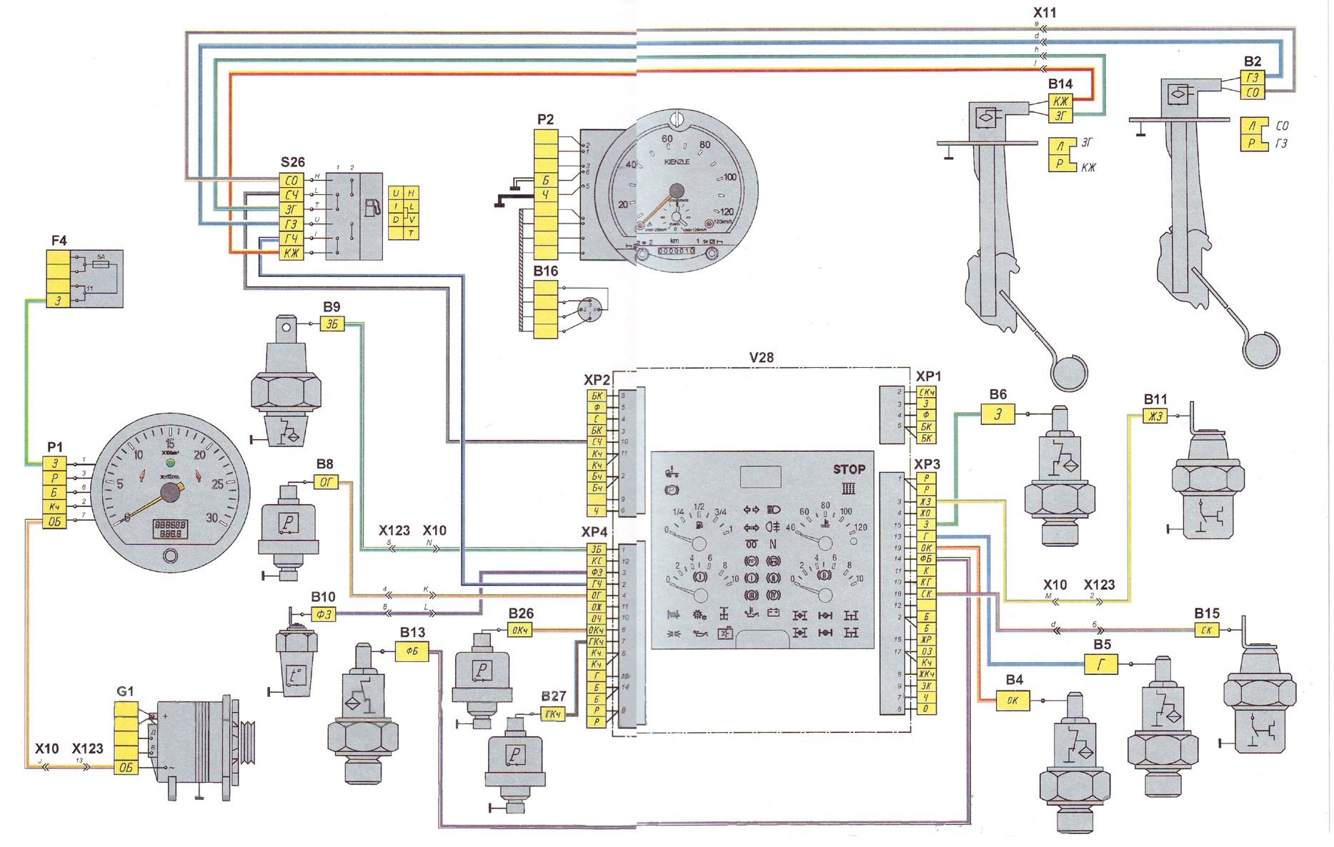
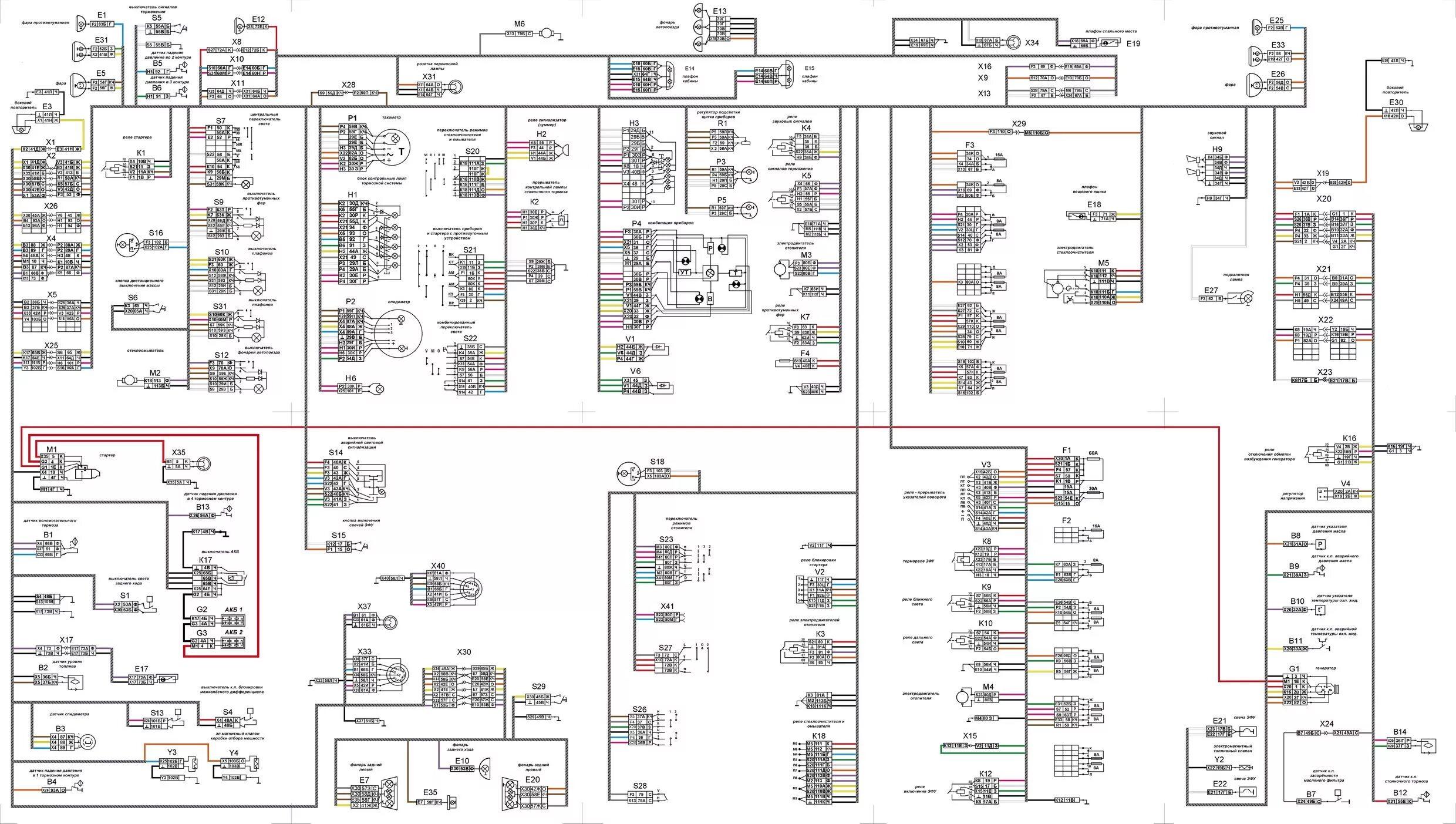
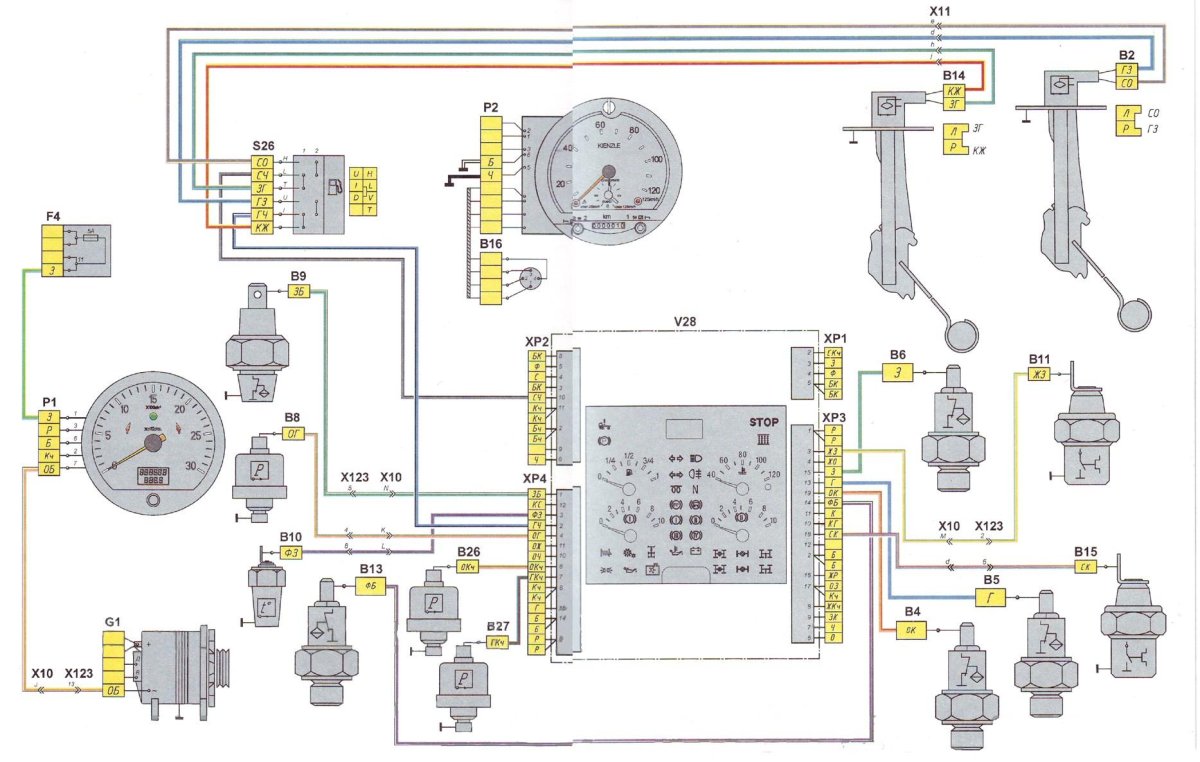
Панель приборов элара камаз распиновка 24 ноя --- 1 0 0 1 2 3 4 5 Похожие фото: Панель приборов щп 8151 1 распиновка Панель приборов тойота Панель приборов уаз Панель приборов акцент Панель приборов ваз 2114 Панель приборов ланос Панель приборов дэу нексия Панель приборов мазда 3 Панель приборов 405 евро 3 Панель приборов митсубиши паджеро Комментарии Минимальная длина комментария - 50 знаков. комментарии модерируются Добавить Введите код с картинки: Отправить