Машинатор » Гидравлика в экскаваторе

Гидравлика в экскаваторе

30 ноя
---
4
0

Гидравлическая система экскаватора Вольво 210
Гидравлическая система экскаватора Вольво 210

JCB 3cx гидравлика
JCB 3cx гидравлика

Экскаватор Вольво распределитель
Экскаватор Вольво распределитель

Гидрораспределитель экскаватора UMG e200c
Гидрораспределитель экскаватора UMG e200c



Хундай 220 LC 9s
Хундай 220 LC 9s

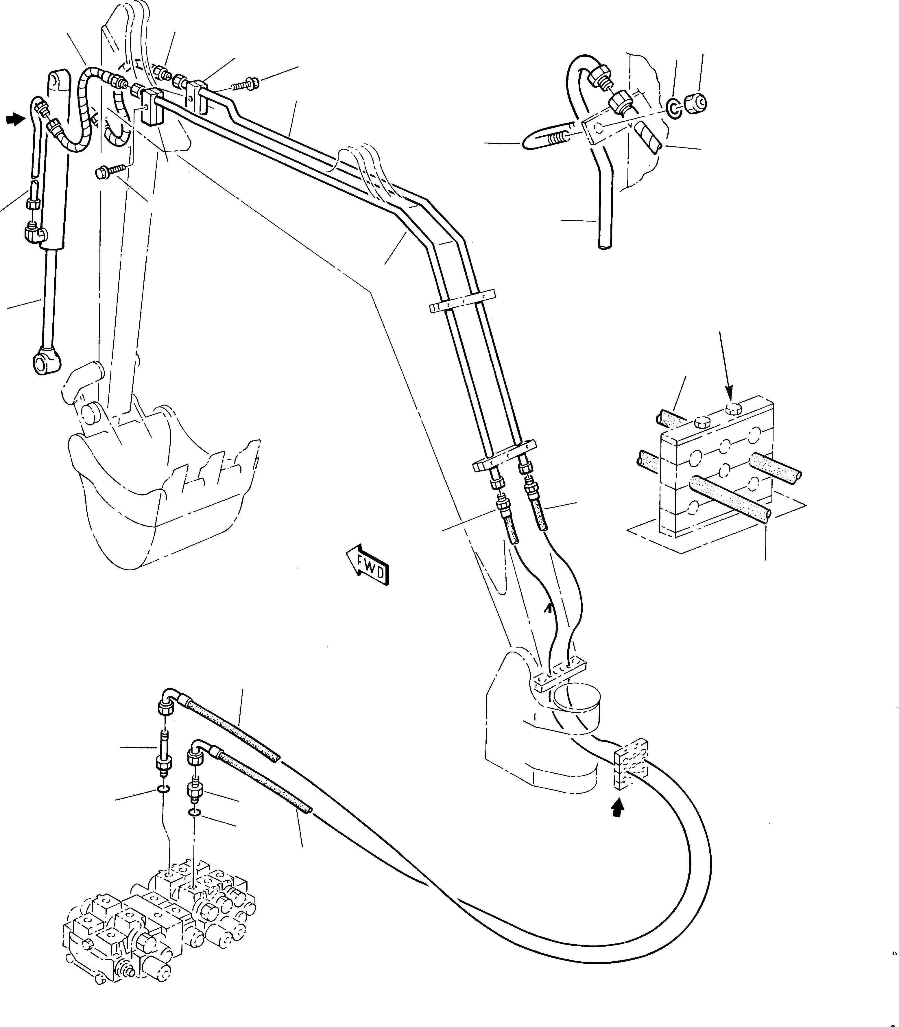
Трубка на экскаватор Вольво 71 вл на стрелу
Трубка на экскаватор Вольво 71 вл на стрелу

Насос гидравлический экскаватора JCB 330
Насос гидравлический экскаватора JCB 330

Гидравлическая система экскаватора Вольво 210
Гидравлическая система экскаватора Вольво 210

РВД Т-150
РВД Т-150



Гидросистема грейдера ДЗ 98
Гидросистема грейдера ДЗ 98





Хитачи 330 экскаватор насосы
Хитачи 330 экскаватор насосы

Диагностика гидравлики экскаватора
Диагностика гидравлики экскаватора



Гидролиния JCB 3cx
Гидролиния JCB 3cx



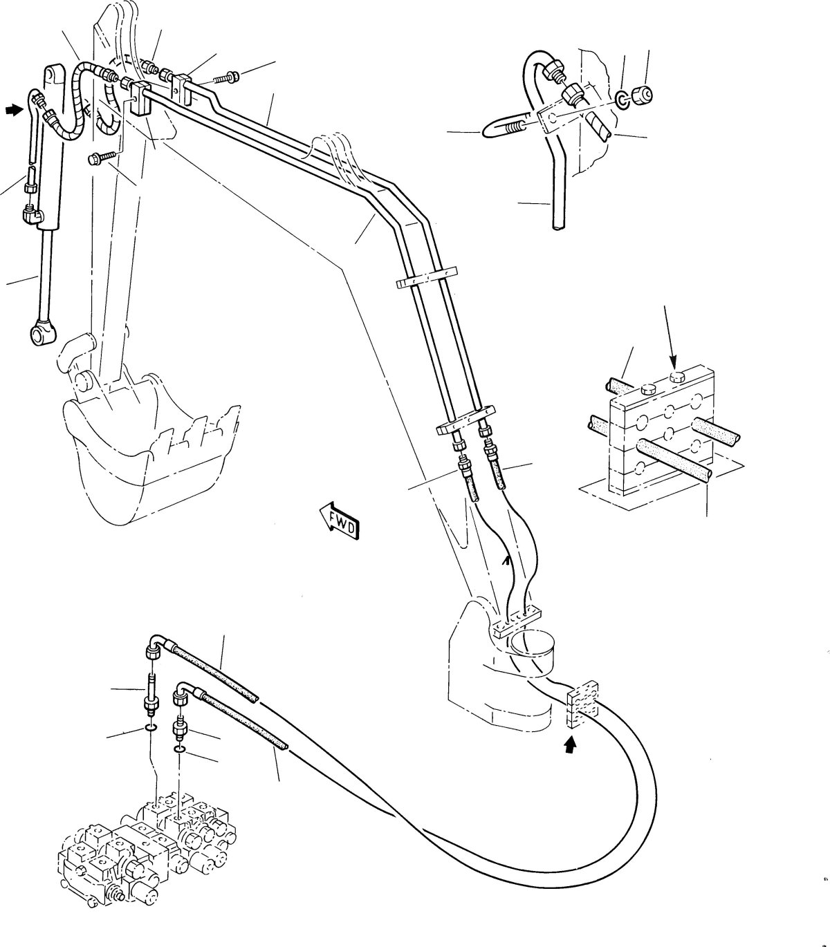
Трубка на экскаватор Вольво 71 вл на стрелу

Фото: Трубка на экскаватор Вольво 71 вл на стрелу


Смазка узлов экскаватора Caterpillar 330
Смазка узлов экскаватора Caterpillar 330

Трансмиссия экскаватора погрузчика
Трансмиссия экскаватора погрузчика

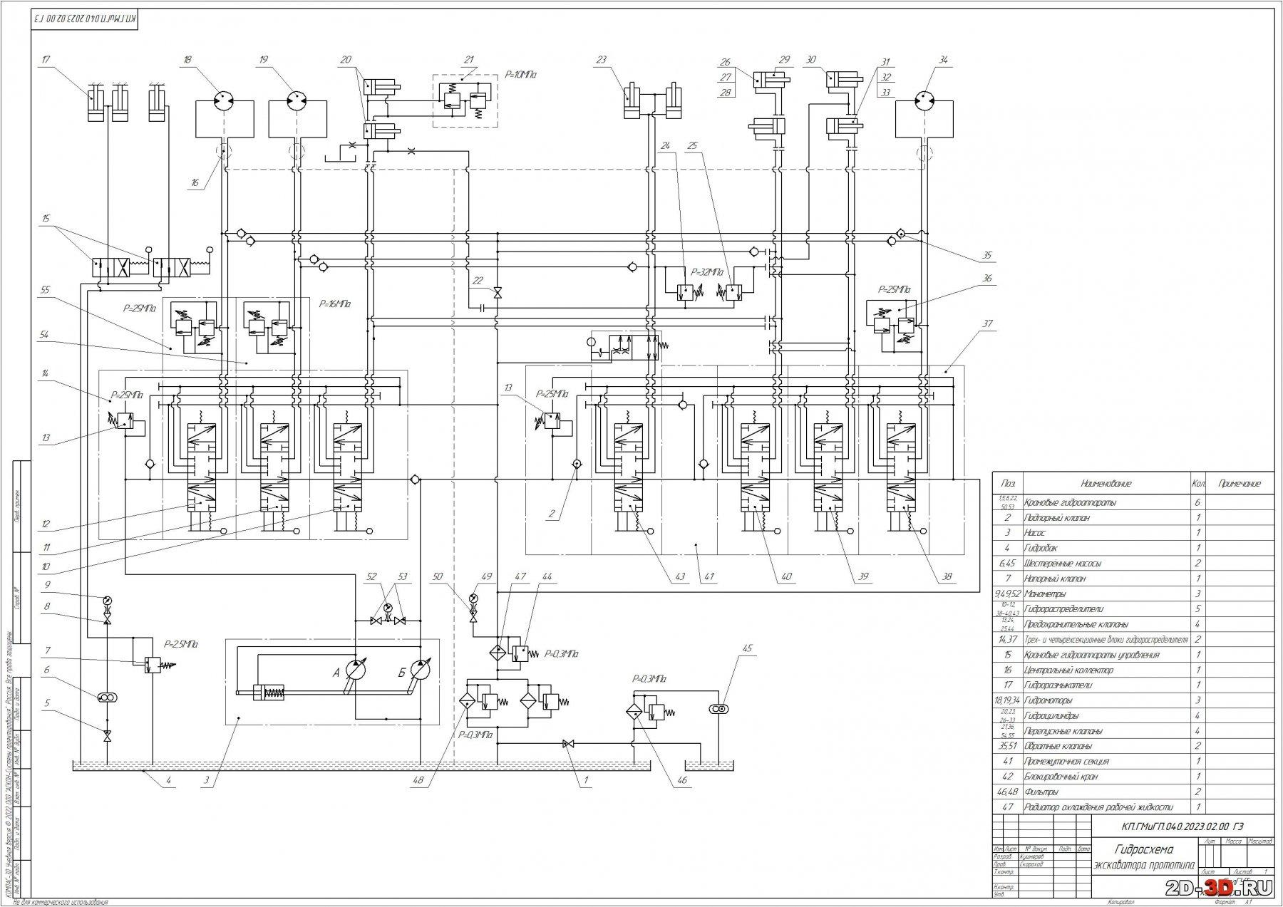
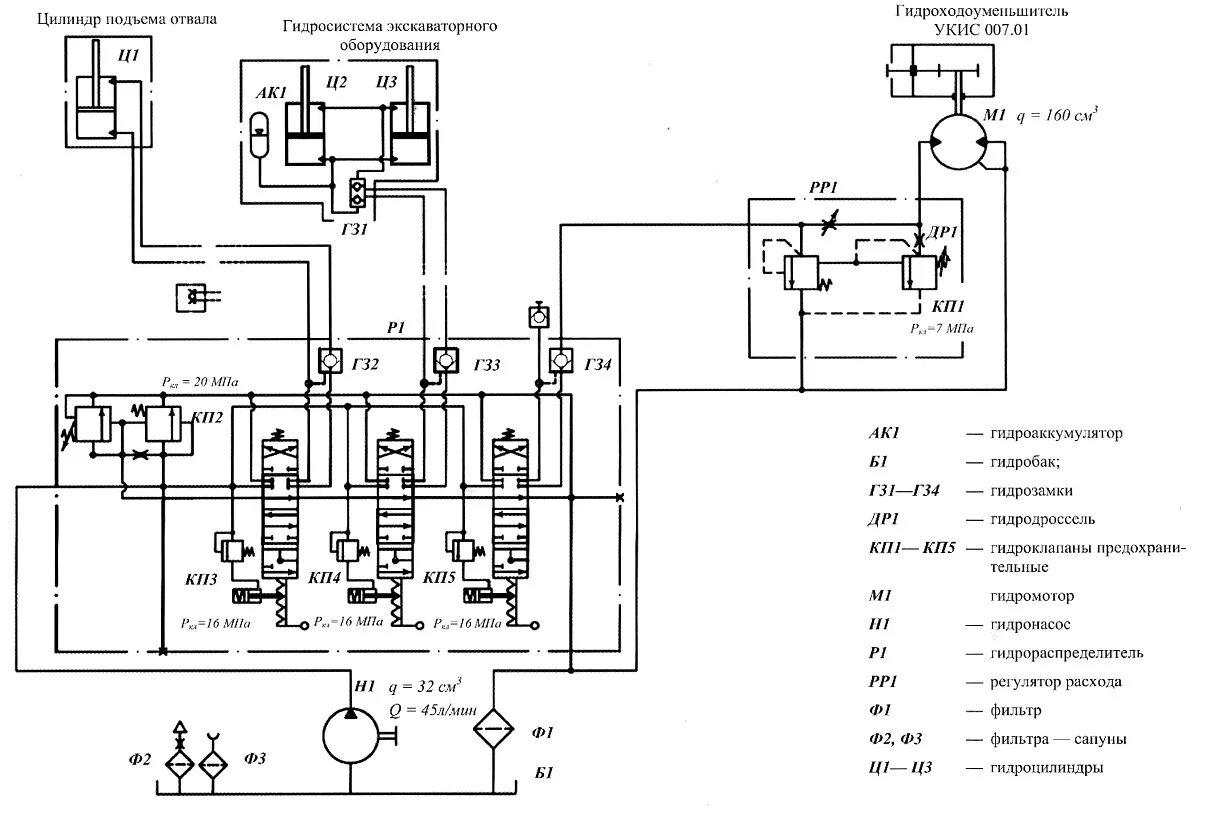
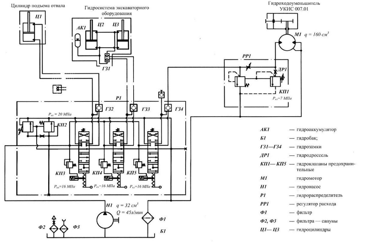
Схема гидравлическая соединений г4
Схема гидравлическая соединений г4

Схема гидравлики унц 060
Схема гидравлики унц 060

Соленоид распределителя гидравлического экскаватора Хундай 250
Соленоид распределителя гидравлического экскаватора Хундай 250

Смазка узлов экскаватора Caterpillar 330
Смазка узлов экскаватора Caterpillar 330

Hyundai r170w-7 схема гидравлики
Hyundai r170w-7 схема гидравлики













Двигатель Нью Холланд 115
Двигатель Нью Холланд 115







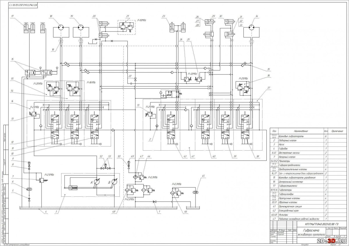
ЭО-5124 гидросхема
ЭО-5124 гидросхема





Джойстик экскаватор Вольво 220 схема
Джойстик экскаватор Вольво 220 схема

Крепление шлангов рукояти на Гидрораспределитель Хитачи 160
Крепление шлангов рукояти на Гидрораспределитель Хитачи 160









ЮМЗ ЭО 2621
ЮМЗ ЭО 2621

Хитачи 200-3 гидравлика
Хитачи 200-3 гидравлика





Схема гидравлики экскаватора ЭО 2621
Схема гидравлики экскаватора ЭО 2621

Рукав буровой высокого давления РВД 50х250х18
Рукав буровой высокого давления РВД 50х250х18

Похожие фото:

Комментарии
Минимальная длина комментария - 50 знаков. комментарии модерируются
Кликните на изображение чтобы обновить код, если он неразборчив