Машинатор » Расположение обмоток асинхронного двигателя

Расположение обмоток асинхронного двигателя

03 мар
---
1
0

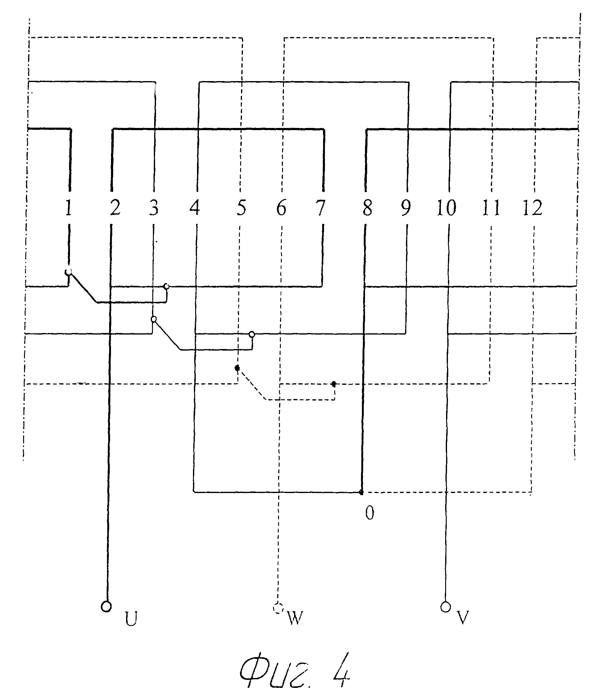
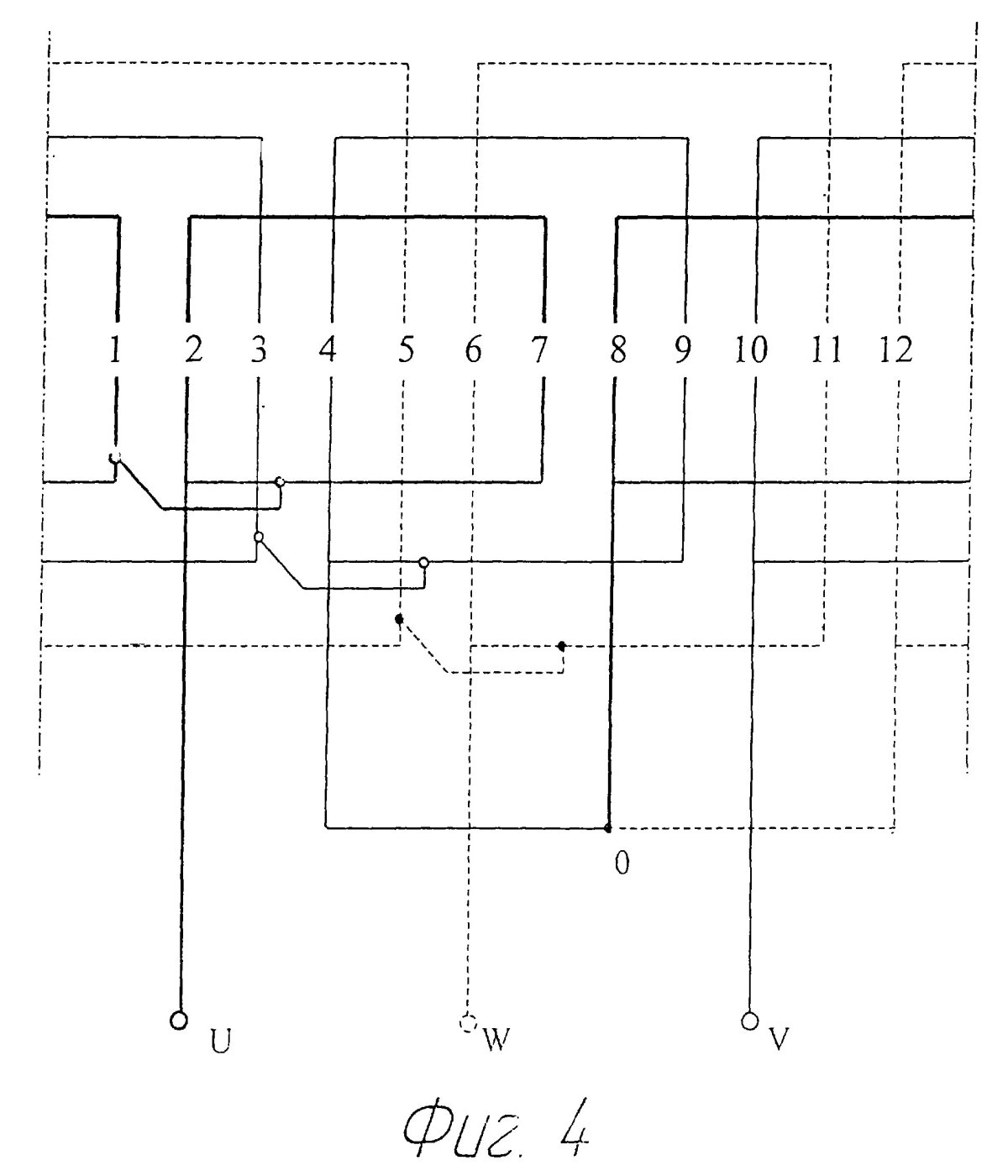
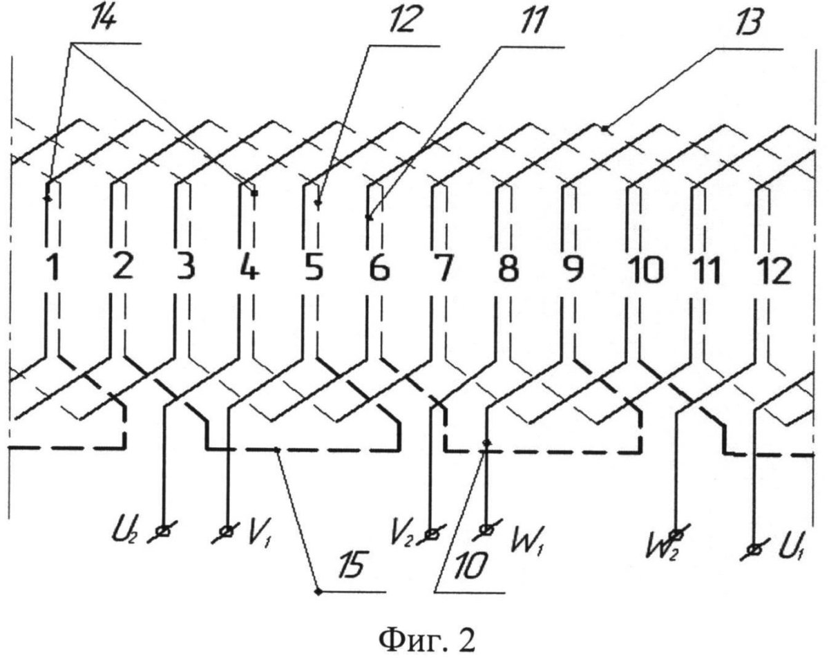
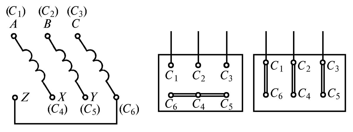
Схема соединения обмотки статора асинхронного двигателя
Схема соединения обмотки статора асинхронного двигателя

Схема намотки статора 130
Схема намотки статора 130

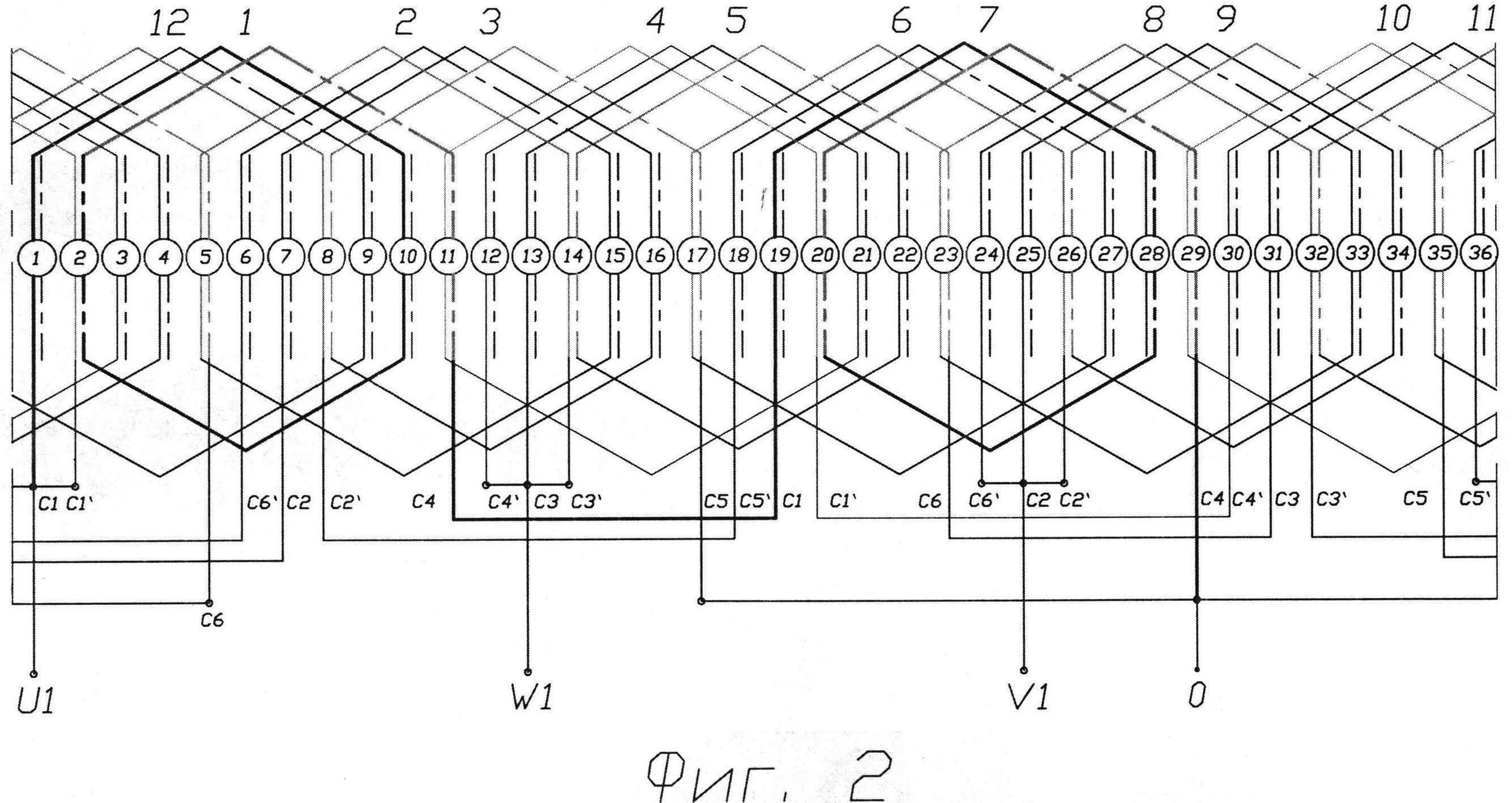
Соединение обмоток асинхронного двигателя
Соединение обмоток асинхронного двигателя

Схема подключения обмоток статора асинхронного двигателя
Схема подключения обмоток статора асинхронного двигателя



Схема намотки асинхронного электродвигателя
Схема намотки асинхронного электродвигателя

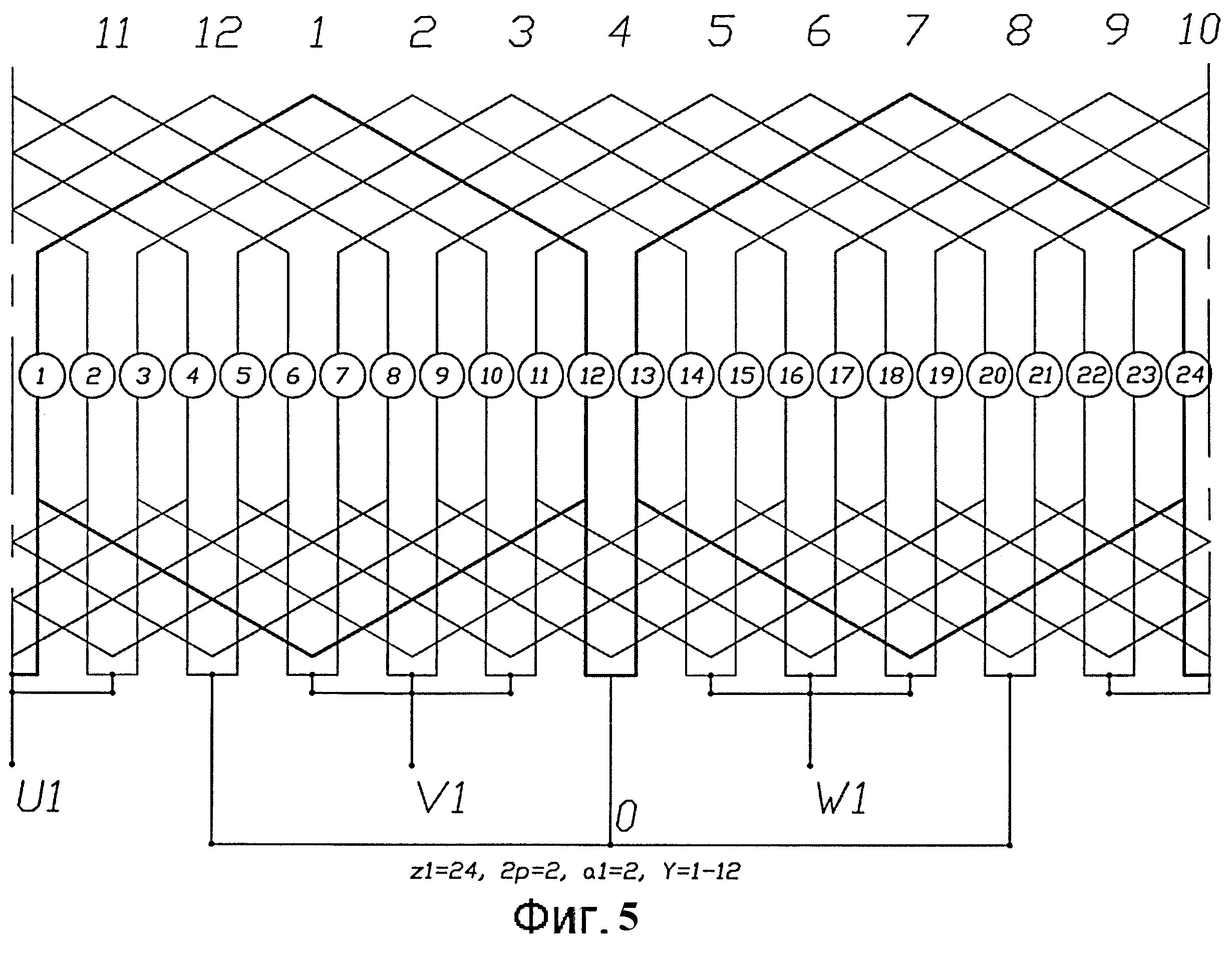
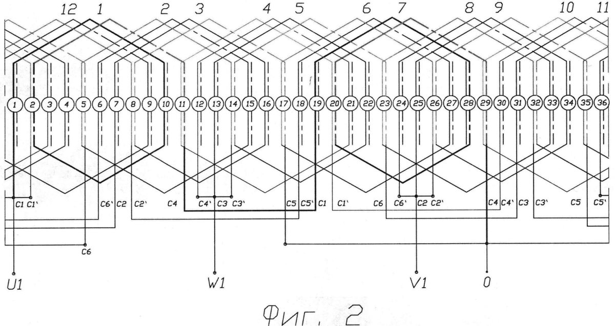
Схема обмоток статора асинхронного двигателя
Схема обмоток статора асинхронного двигателя

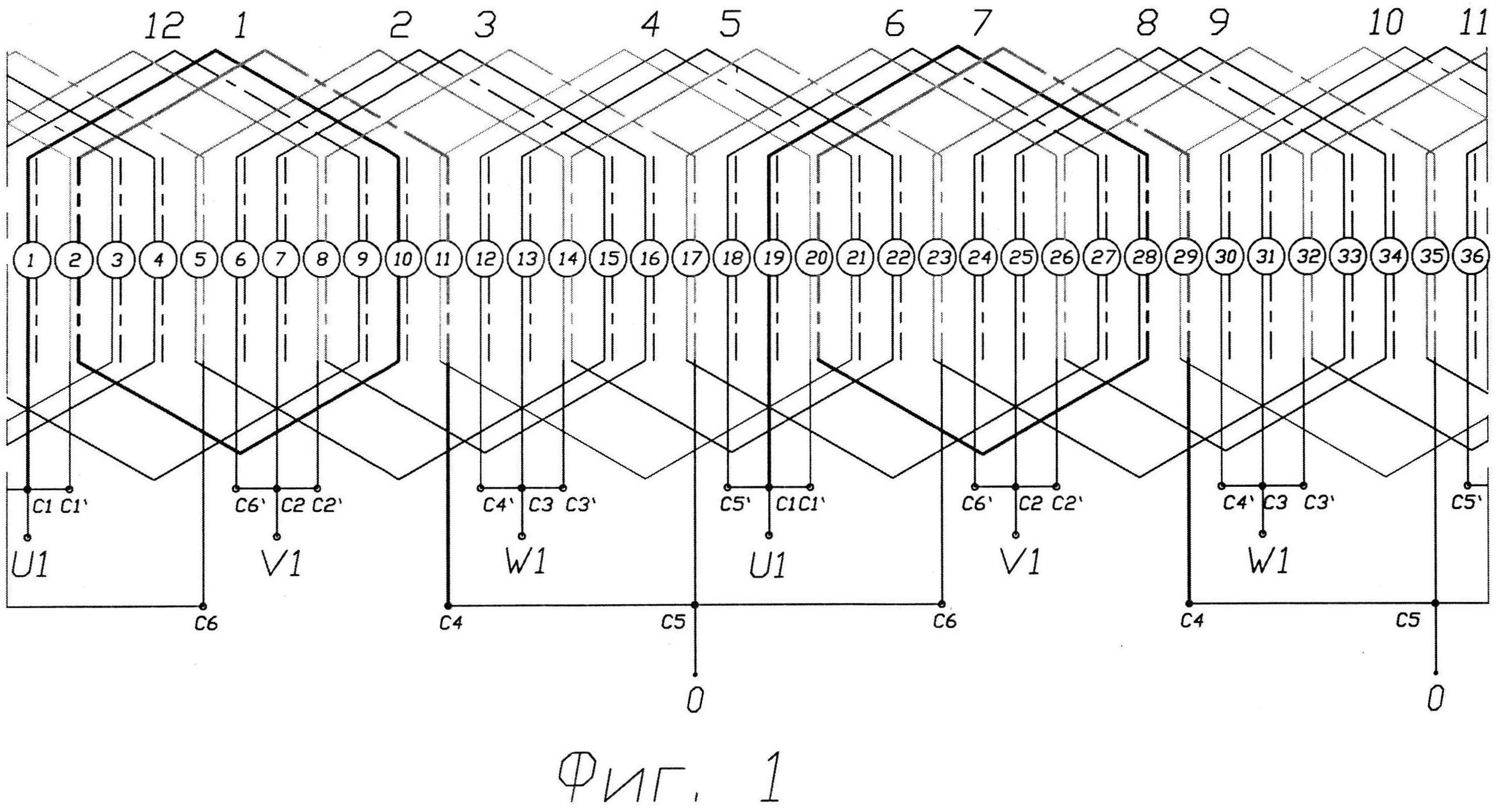
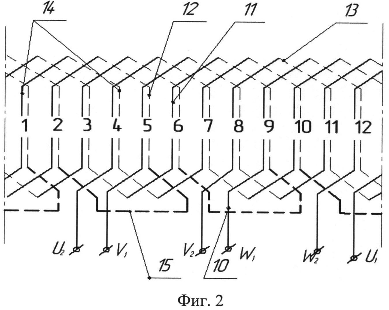
Двухслойная обмотка статора асинхронного двигателя: 1 — секция
Двухслойная обмотка статора асинхронного двигателя: 1 — секция



Схема генератора трёхфазного тока асинхронного
Схема генератора трёхфазного тока асинхронного

Принцип работы асинхронного двигателя

Фото: Принцип работы асинхронного двигателя




Статор ротор сердечник статора
Статор ротор сердечник статора



Схема соединения катушек электродвигателя 220
Схема соединения катушек электродвигателя 220



Трехфазный асинхронный двигатель с короткозамкнутым ротором
Трехфазный асинхронный двигатель с короткозамкнутым ротором

Схема подключения электродвигателя 380 треугольником
Схема подключения электродвигателя 380 треугольником



Трехфазный асинхронный электродвигатель схема

Фото: Трехфазный асинхронный электродвигатель схема


Схема асинхронного пуска синхронного двигателя
Схема асинхронного пуска синхронного двигателя

Схемы включения обмоток статора
Схемы включения обмоток статора



Схема намотки статора генератора
Схема намотки статора генератора



Схема подключения роторного электродвигателя
Схема подключения роторного электродвигателя



Схема обмоток электродвигателя постоянного тока
Схема обмоток электродвигателя постоянного тока

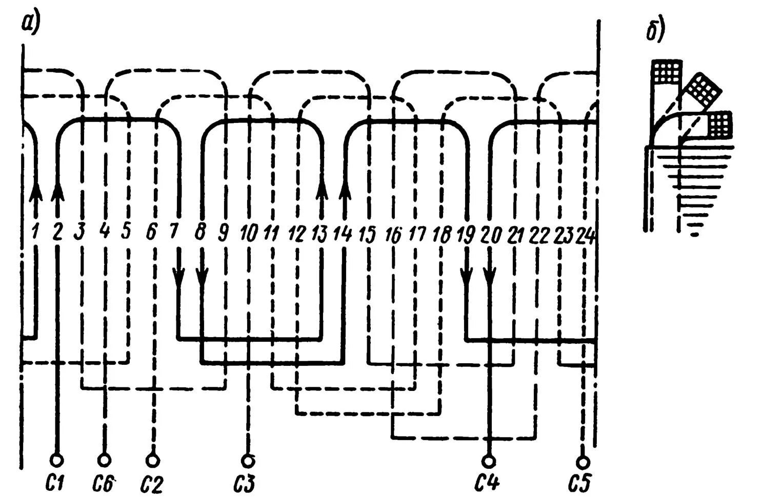
Двухслойная обмотка статора 48 пазов
Двухслойная обмотка статора 48 пазов

Обмоточные данные асинхронного двигателя 160 КВТ
Обмоточные данные асинхронного двигателя 160 КВТ

Схема безщеточного генератора 220в
Схема безщеточного генератора 220в

Схема запуска синхронного электродвигателя
Схема запуска синхронного электродвигателя

Ротор синхронного двигателя с постоянными магнитами
Ротор синхронного двигателя с постоянными магнитами

Двухслойная обмотка статора 36 пазов
Двухслойная обмотка статора 36 пазов



Схема обмотки асинхронного электродвигателя
Схема обмотки асинхронного электродвигателя



Разница синхронного и асинхронного двигателя
Разница синхронного и асинхронного двигателя

Вращающееся магнитное поле асинхронного электродвигателя
Вращающееся магнитное поле асинхронного электродвигателя

Схема намотки статора генератора 220в

Фото: Схема намотки статора генератора 220в


Двухслойная обмотка статора 2p 4 z48
Двухслойная обмотка статора 2p 4 z48

Электродвигатель АИР 250 s4
Электродвигатель АИР 250 s4

МДС трехфазной обмотки статора
МДС трехфазной обмотки статора



Шаг обмотки статора асинхронного двигателя
Шаг обмотки статора асинхронного двигателя

Расщепитель фаз НБ-455а
Расщепитель фаз НБ-455а

Зубцовая зона статора
Зубцовая зона статора

Однофазный электродвигатель 220в схема подключения
Однофазный электродвигатель 220в схема подключения



Катушки статора электродвигателя 4амн280s4у3
Катушки статора электродвигателя 4амн280s4у3

Конструкция и принцип действия асинхронного двигателя
Конструкция и принцип действия асинхронного двигателя

Схема подключения трехфазного асинхронного электродвигателя
Схема подключения трехфазного асинхронного электродвигателя

Электродвигатель 4а132s6 чертёж
Электродвигатель 4а132s6 чертёж



Схема обмотки статора автогенератора
Схема обмотки статора автогенератора

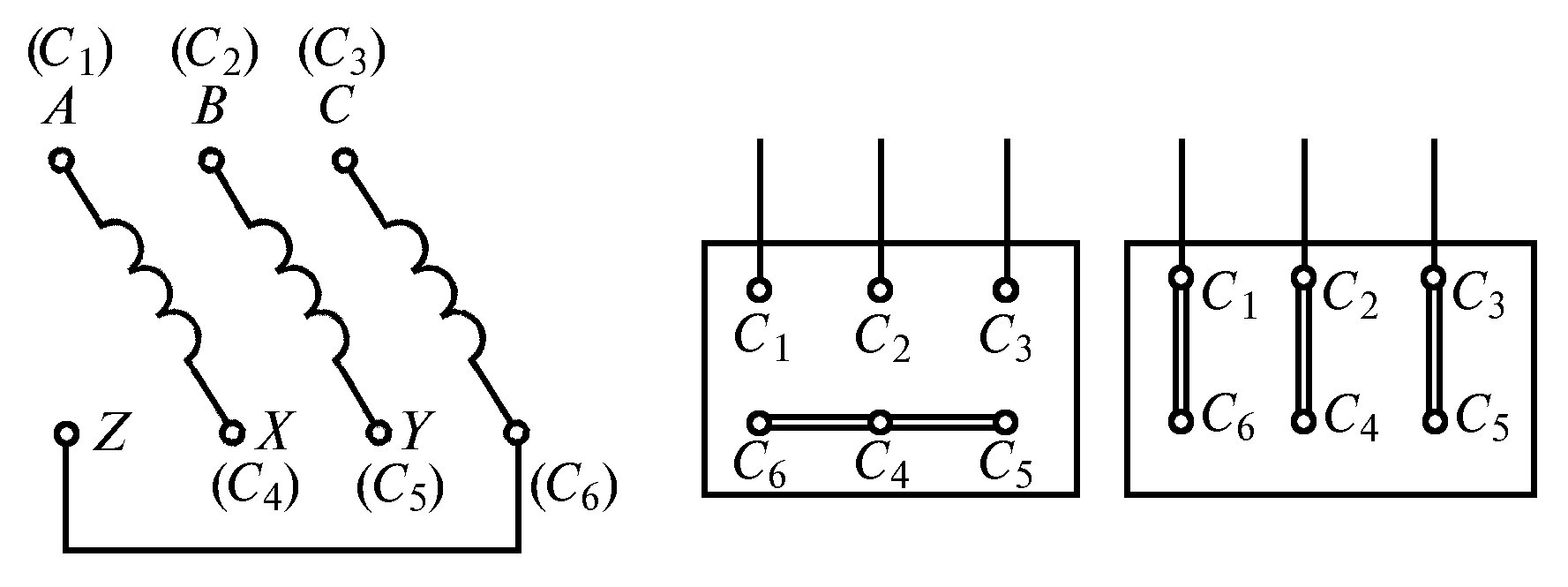
Обозначение обмоток 3 фазного трансформатора
Обозначение обмоток 3 фазного трансформатора

Тяговый Генератор ГС-501а
Тяговый Генератор ГС-501а

Схема определения начала и конца обмотки асинхронного двигателя
Схема определения начала и конца обмотки асинхронного двигателя



Устройство асинхронного двигателя с короткозамкнутым ротором

Фото: Устройство асинхронного двигателя с короткозамкнутым ротором


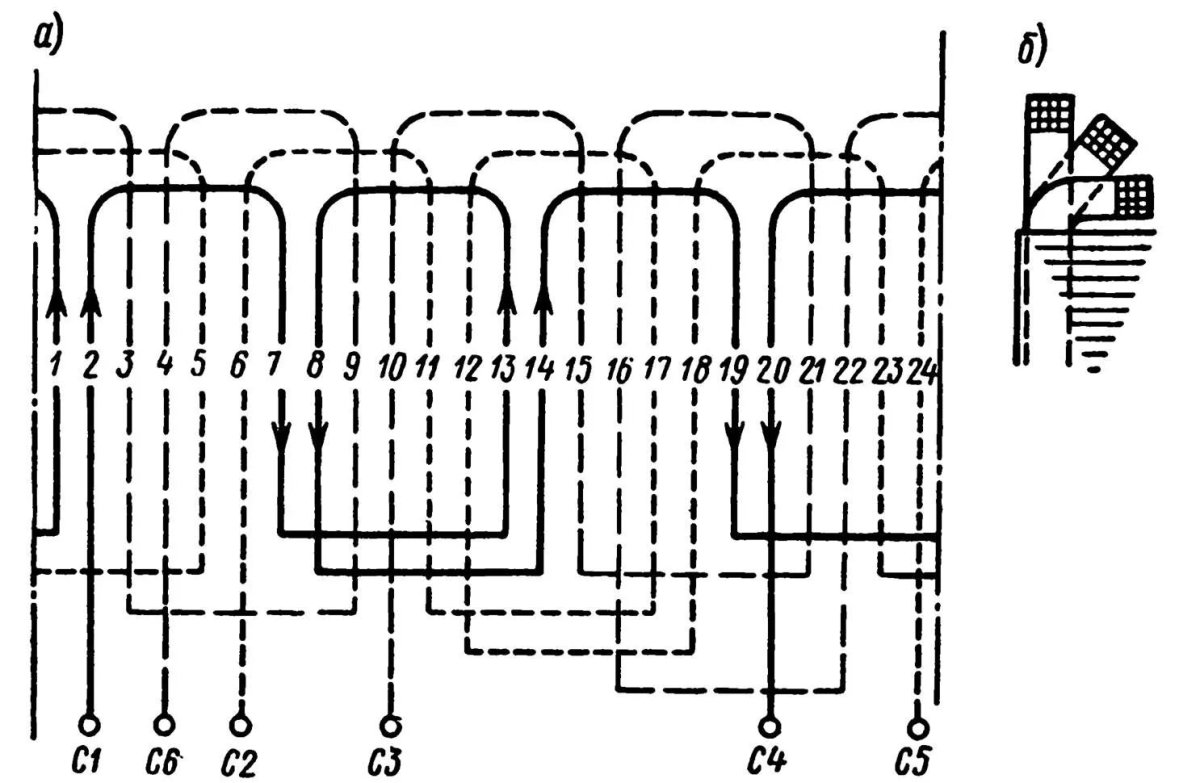
Схема перемотки асинхронного двигателя
Схема перемотки асинхронного двигателя

Фазировка обмоток асинхронного двигателя
Фазировка обмоток асинхронного двигателя

Двухполюсный асинхронный двигатель схема
Двухполюсный асинхронный двигатель схема

Схема трехфазной однослойной концентрической обмотки статора
Схема трехфазной однослойной концентрической обмотки статора

Схема обмотки статора асинхронного двигателя
Схема обмотки статора асинхронного двигателя

Двухфазный асинхронный двигатель
Двухфазный асинхронный двигатель

Схема 3 скоростного электродвигателя
Схема 3 скоростного электродвигателя

Схема подключения синхронного двигателя
Схема подключения синхронного двигателя

Схема обмотки электродвигателя Дуюнова
Схема обмотки электродвигателя Дуюнова





Конструкция асинхронного двигателя с фазным ротором схема
Конструкция асинхронного двигателя с фазным ротором схема





Электродвигатель 5а280м2
Электродвигатель 5а280м2



Устройство асинхронного двигателя с короткозамкнутым ротором схема
Устройство асинхронного двигателя с короткозамкнутым ротором схема





Асинхронные двигатели с глубокими пазами на роторе
Асинхронные двигатели с глубокими пазами на роторе



Ротор и статор электродвигателя
Ротор и статор электродвигателя

Электродвигатель серии 4а
Электродвигатель серии 4а



Магнитное поле асинхронного двигателя
Магнитное поле асинхронного двигателя


Похожие фото:

Комментарии
Минимальная длина комментария - 50 знаков. комментарии модерируются
Кликните на изображение чтобы обновить код, если он неразборчив