Машинатор » Планетарный механизм поворота рычагов агромаш

Планетарный механизм поворота рычагов агромаш

20 мар
---
0
0

Планетарный механизм поворота ДТ 75
Планетарный механизм поворота ДТ 75

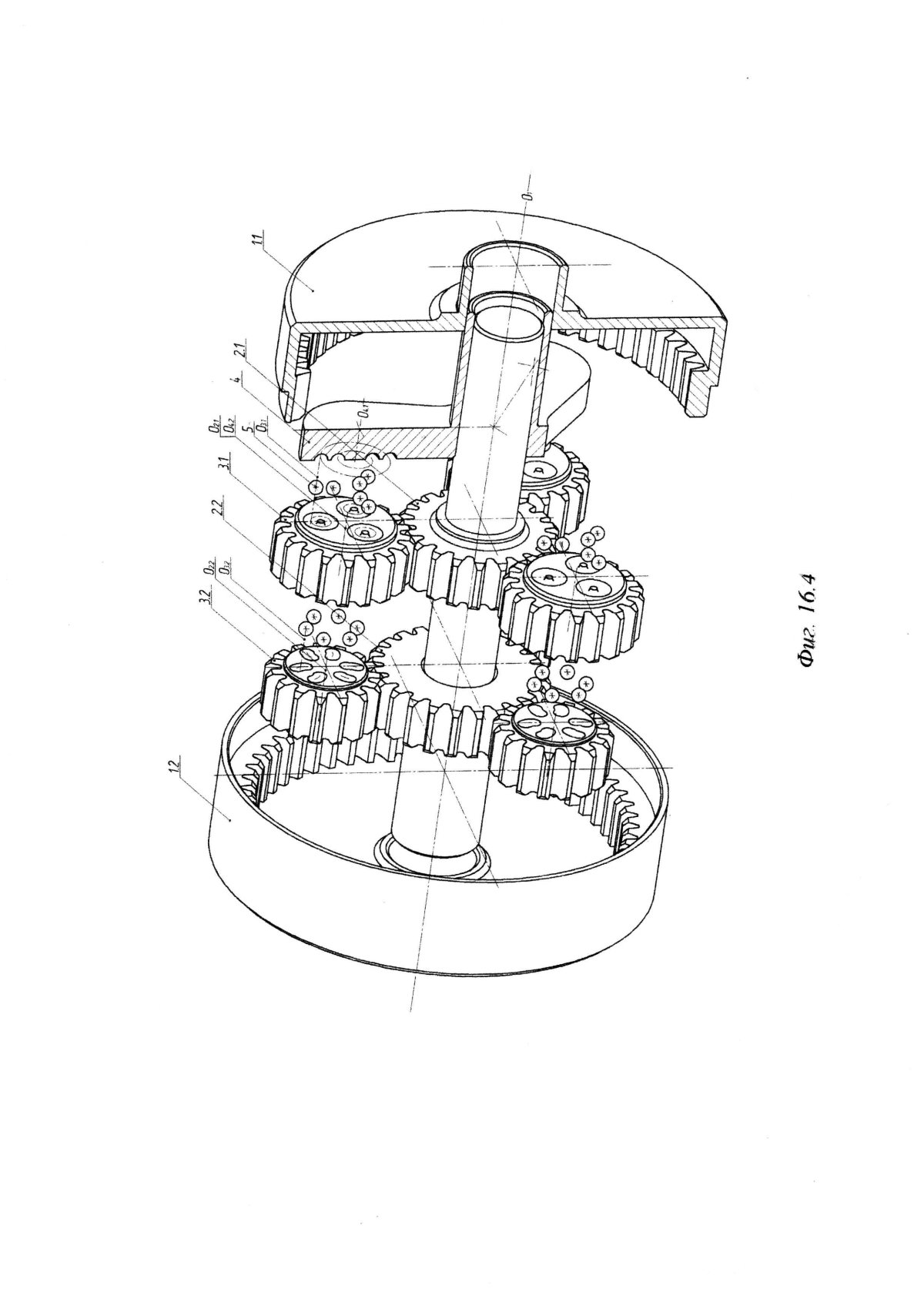
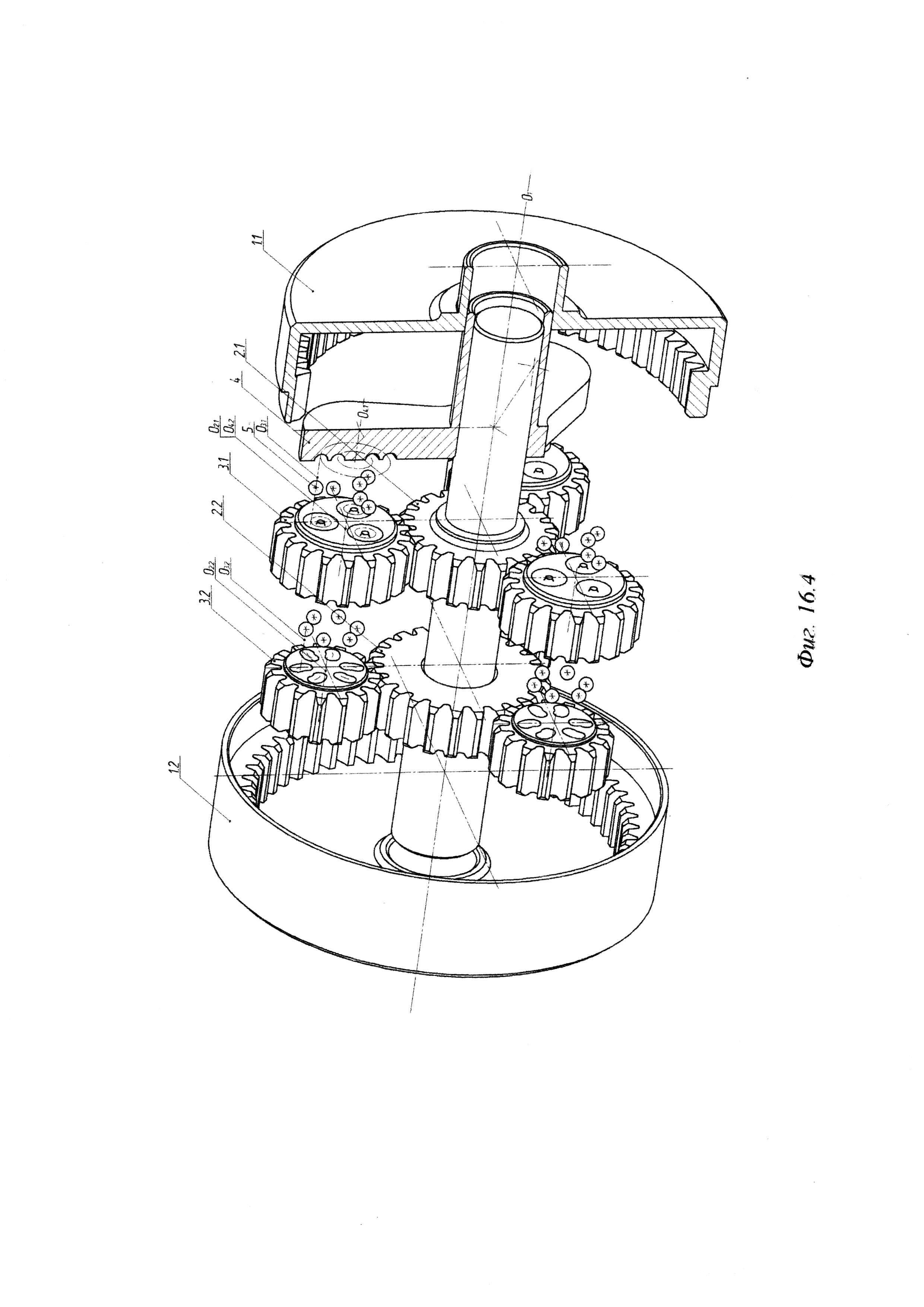
77.38.011а механизм планетарный
77.38.011а механизм планетарный

Поворотный механизм бульдозера т 170
Поворотный механизм бульдозера т 170





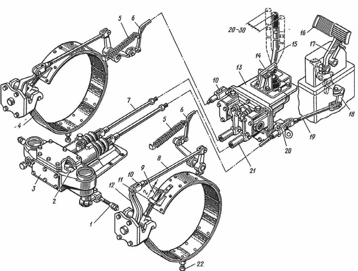
Лента планетарного тормоза 77.38.016-1
Лента планетарного тормоза 77.38.016-1

Ведущий мост ДТ-75 устройство
Ведущий мост ДТ-75 устройство

Трансмиссия танка т-34
Трансмиссия танка т-34

Планетарный механизм поворота гусеничного трактора
Планетарный механизм поворота гусеничного трактора



Система смазки главной передачи МТЛБ

Фото: Система смазки главной передачи МТЛБ


Сцепление трактора т-170
Сцепление трактора т-170

Коробка трактора ДТ-75
Коробка трактора ДТ-75

ДТ 75 бортовая устройство
ДТ 75 бортовая устройство



МТЗ 1502 механизм поворота
МТЗ 1502 механизм поворота

Мини бортоповоротный вездеход
Мини бортоповоротный вездеход



Колодка фрикционная ДТ-75
Колодка фрикционная ДТ-75

Передняя балка Агромаш МТ-110

Фото: Передняя балка Агромаш МТ-110






Планетарный бортоповоротный редуктор
Планетарный бортоповоротный редуктор





Схема заднего моста ТДТ 55
Схема заднего моста ТДТ 55

Вездеход Узола рычаги управления
Вездеход Узола рычаги управления

Кинематическая схема гусеничного трактора
Кинематическая схема гусеничного трактора



Двухпоточная трансмиссия гусеничного трактора
Двухпоточная трансмиссия гусеничного трактора

АТС 59 двигатель
АТС 59 двигатель

Механизм поворота манипулятора
Механизм поворота манипулятора



Двухпоточная трансмиссия т130
Двухпоточная трансмиссия т130

Привод включения ВОМ МТЗ 80
Привод включения ВОМ МТЗ 80













Механизм поворота Rolly Kit
Механизм поворота Rolly Kit

Схема редуктора планетарного миксера ZTS Sabinov двухступенчатый
Схема редуктора планетарного миксера ZTS Sabinov двухступенчатый

Планетарный механизм поворота 765
Планетарный механизм поворота 765



















Механизм поворота левый 8.10.040
Механизм поворота левый 8.10.040



Планетарный редуктор gsl2000k,
Планетарный редуктор gsl2000k,









Лебедка АТС 59
Лебедка АТС 59

24-16-101сп фрикцион бортовой правый
24-16-101сп фрикцион бортовой правый

Тормозная система ГАЗ 71
Тормозная система ГАЗ 71



Диэлектрический поворотный механизм
Диэлектрический поворотный механизм

Муфта синхронизатора передачи КПП Исузу nqr90
Муфта синхронизатора передачи КПП Исузу nqr90

Планетарная муфта
Планетарная муфта

Планетарный трехступенчатый редуктор ГМП- 300
Планетарный трехступенчатый редуктор ГМП- 300



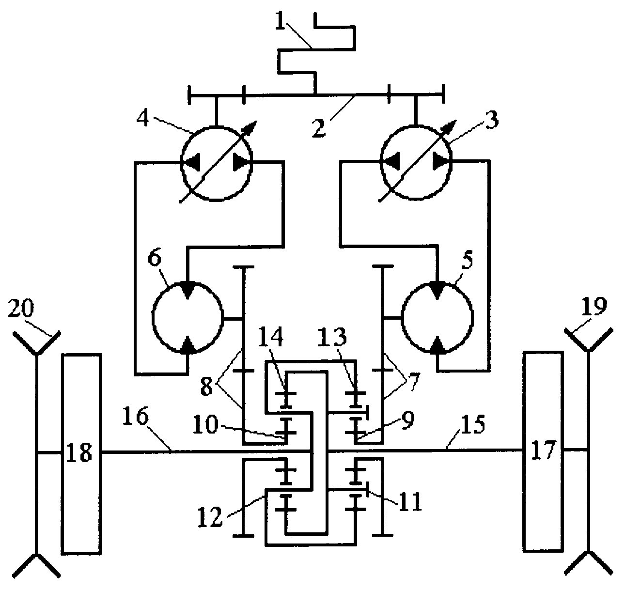
Схема гидростатические трансмиссии трактора
Схема гидростатические трансмиссии трактора






Похожие фото:

Комментарии
Минимальная длина комментария - 50 знаков. комментарии модерируются
Кликните на изображение чтобы обновить код, если он неразборчив