Машинатор » Грузовая система танкера

Грузовая система танкера

12 ноя
---
4
0

Грузовая система танкера линейная
Грузовая система танкера линейная



Схема грузового устройства танкера
Схема грузового устройства танкера

Корпус танкера
Корпус танкера

Строение нефтеналивного танкера
Строение нефтеналивного танкера

Схема сухогрузного судна
Схема сухогрузного судна

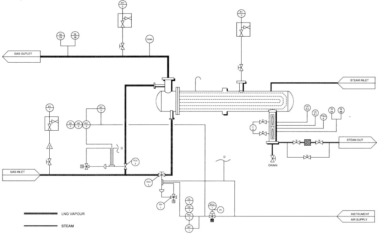
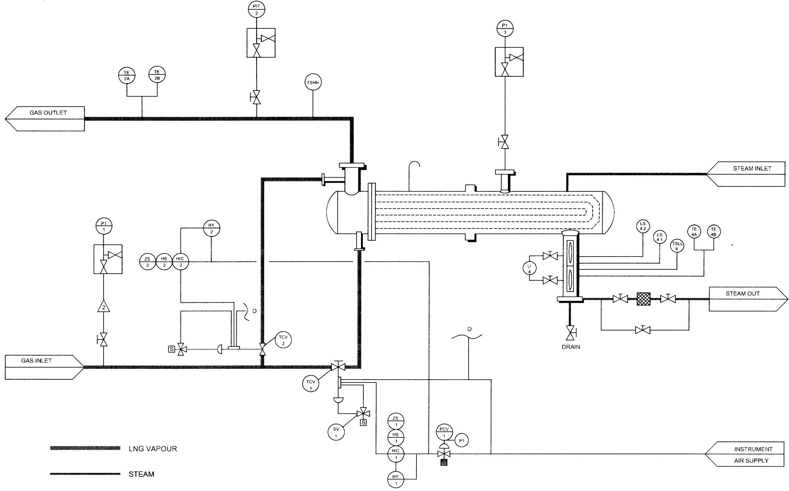
Система подогрева груза на танкерах
Система подогрева груза на танкерах



Строение нефтеналивного танкера
Строение нефтеналивного танкера

Нефтеналивной танкер схема
Нефтеналивной танкер схема

Бункеровка танкера

Фото: Бункеровка танкера


Танкер строение
Танкер строение

Грузовой манифольд танкера
Грузовой манифольд танкера

Трюм танкера нефтяного изнутри
Трюм танкера нефтяного изнутри

Танкер устройство судна
Танкер устройство судна

Газоотводная система танкера
Газоотводная система танкера

Схема танкера газовоза
Схема танкера газовоза

Фрамо система танкера грузовая
Фрамо система танкера грузовая

Манифольд на танкере
Манифольд на танкере

Манифольд на танкере

Фото: Манифольд на танкере


Грузовой манифольд танкера
Грузовой манифольд танкера

Кабелеукладчик (Cable laying Vessel)
Кабелеукладчик (Cable laying Vessel)

Грузовой план сухогрузного судна
Грузовой план сухогрузного судна

Грузовые насосы на танкерах
Грузовые насосы на танкерах

Аппарель на судне
Аппарель на судне

Манифольд на танкере
Манифольд на танкере

Грузовой манифольд танкера
Грузовой манифольд танкера

Схема танкера газовоза
Схема танкера газовоза

Что такое манифольды на судне
Что такое манифольды на судне

Ролкер РО РО
Ролкер РО РО

Танкер проекта 70046
Танкер проекта 70046

Манифольд на танкере
Манифольд на танкере

Стендер для нефтепродуктов морской перекачки
Стендер для нефтепродуктов морской перекачки

Система подогрева груза на танкерах
Система подогрева груза на танкерах

Схема грузового устройства танкера
Схема грузового устройства танкера

Система водяного пожаротушения на судне
Система водяного пожаротушения на судне

Балластная система на судне
Балластная система на судне

Ролкер РО РО
Ролкер РО РО

GBS Arctic LNG 2
GBS Arctic LNG 2

Манифольд на судне

Фото: Манифольд на судне






Трюм танкера
Трюм танкера

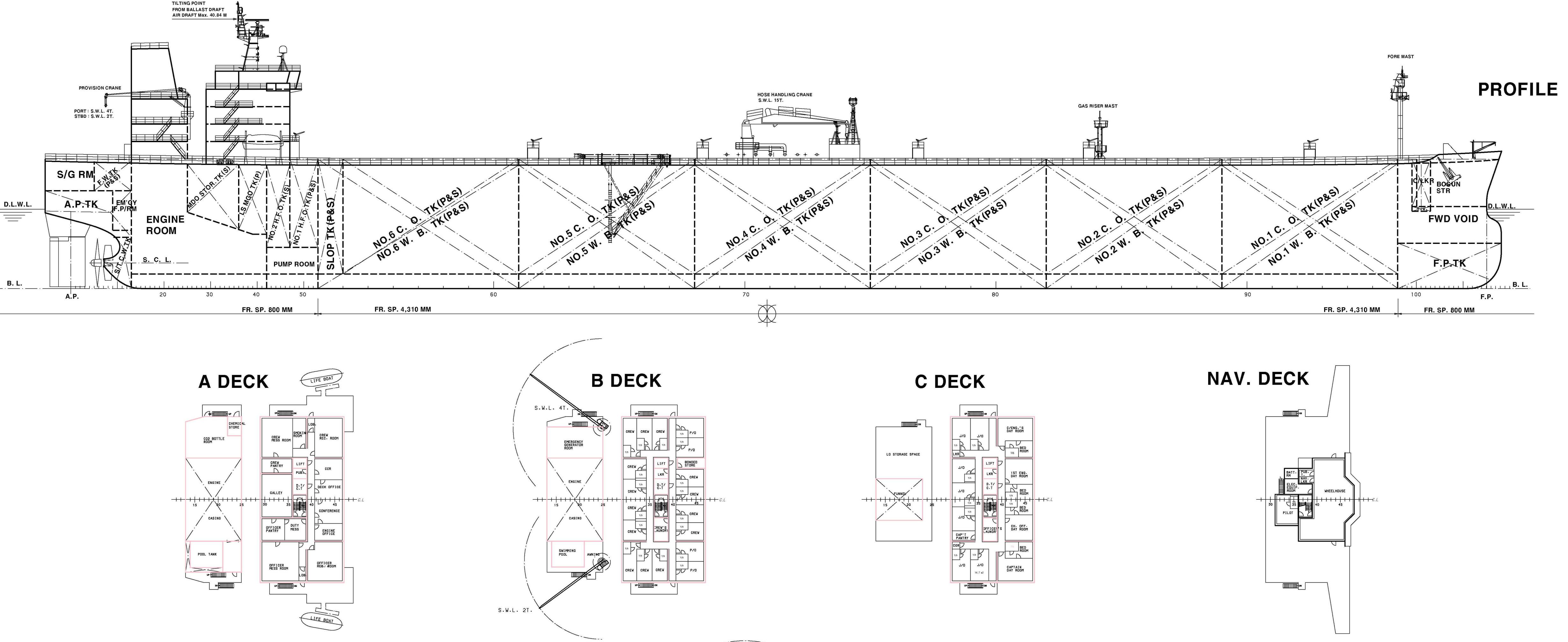
Танкер Афрамакс чертежи
Танкер Афрамакс чертежи

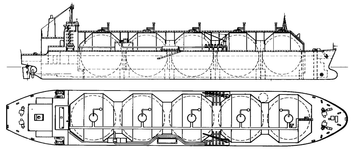
Танкер СПГ схема
Танкер СПГ схема



Схема балластной системы судна
Схема балластной системы судна



Стендер нефтеналивной
Стендер нефтеналивной

Манифольд на судне
Манифольд на судне



Газовоз вектор
Газовоз вектор

Нефтеналивной танкер схема
Нефтеналивной танкер схема

Насосы Framo на танкерах
Насосы Framo на танкерах

Танкер устройство судна
Танкер устройство судна

Теплоход DWT 114000 чертежи балкер
Теплоход DWT 114000 чертежи балкер

Грузовой танк судна
Грузовой танк судна

Строение нефтеналивного танкера
Строение нефтеналивного танкера



СПГ двигатель судовой

Фото: СПГ двигатель судовой


Грузовой корабль сверху
Грузовой корабль сверху

Теплоход DWT 114000 чертежи балкер
Теплоход DWT 114000 чертежи балкер

Нефтеналивное судно чертеж
Нефтеналивное судно чертеж

Floating Production Storage offloading (FPSO)
Floating Production Storage offloading (FPSO)

Плавучий терминал СПГ Новатэк
Плавучий терминал СПГ Новатэк



Балкер на СПГ
Балкер на СПГ



Манифольд на судне
Манифольд на судне



Схема грузовых отсеков танкера
Схема грузовых отсеков танкера

FPSO судно
FPSO судно

Грузовой план судна Сормовский 1557
Грузовой план судна Сормовский 1557

Стендер СПГ
Стендер СПГ

Строение нефтеналивного танкера
Строение нефтеналивного танкера

FSO Vessel
FSO Vessel

Танкер с нефтью
Танкер с нефтью

Похожие фото:

Комментарии
Минимальная длина комментария - 50 знаков. комментарии модерируются
Кликните на изображение чтобы обновить код, если он неразборчив