Машинатор » Рекуперативно реостатное торможение

Рекуперативно реостатное торможение

26 ноя
---
2
0

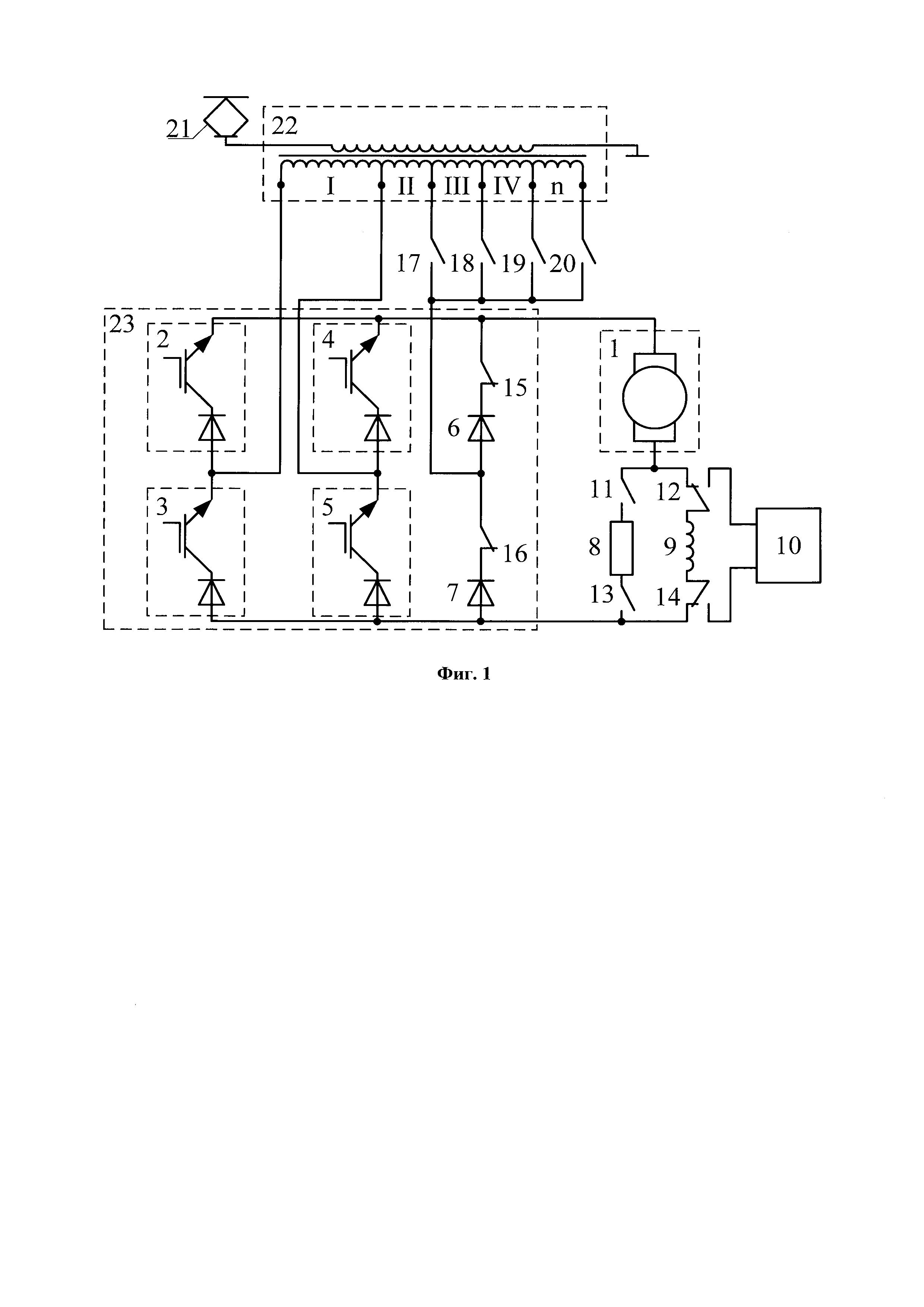
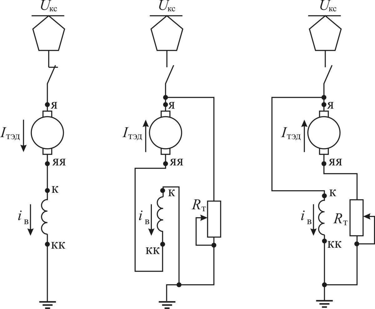
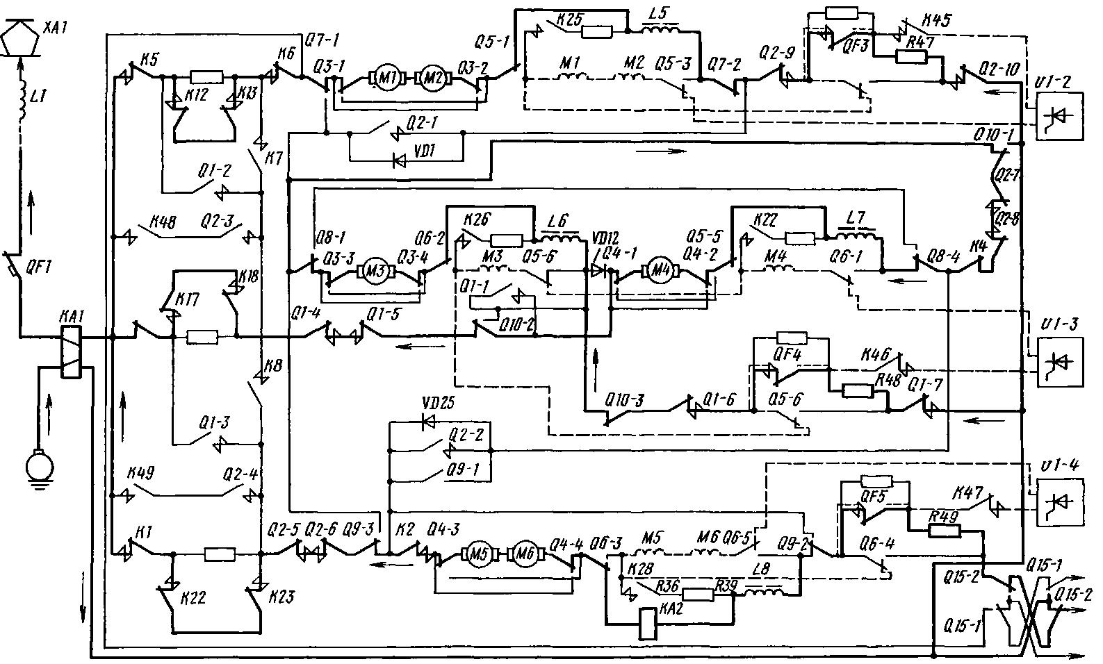
Схема реостатного торможения
Схема реостатного торможения

Рекуперативное торможение схема
Рекуперативное торможение схема



Эл схема динамического торможения Эл двигателя
Эл схема динамического торможения Эл двигателя





Система рекуперативного торможения
Система рекуперативного торможения



Тормозной резистор 81 760761
Тормозной резистор 81 760761

Система рекуперативного торможения
Система рекуперативного торможения

Схема реостатного торможения

Фото: Схема реостатного торможения




Схема пресинаптического и постсинаптического торможения
Схема пресинаптического и постсинаптического торможения



Regenerative braking
Regenerative braking

Рекуперативное торможение электродвигателя
Рекуперативное торможение электродвигателя

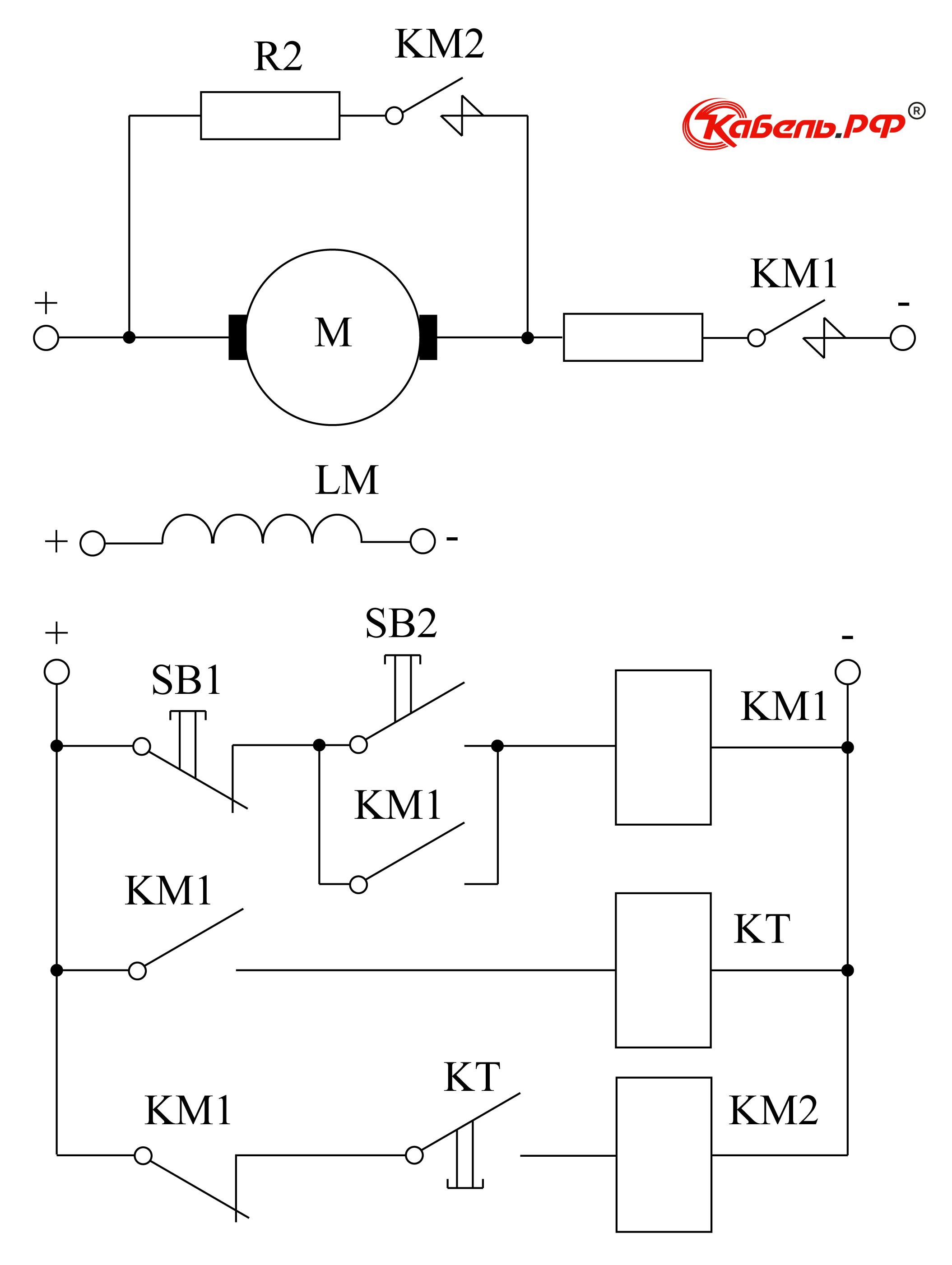
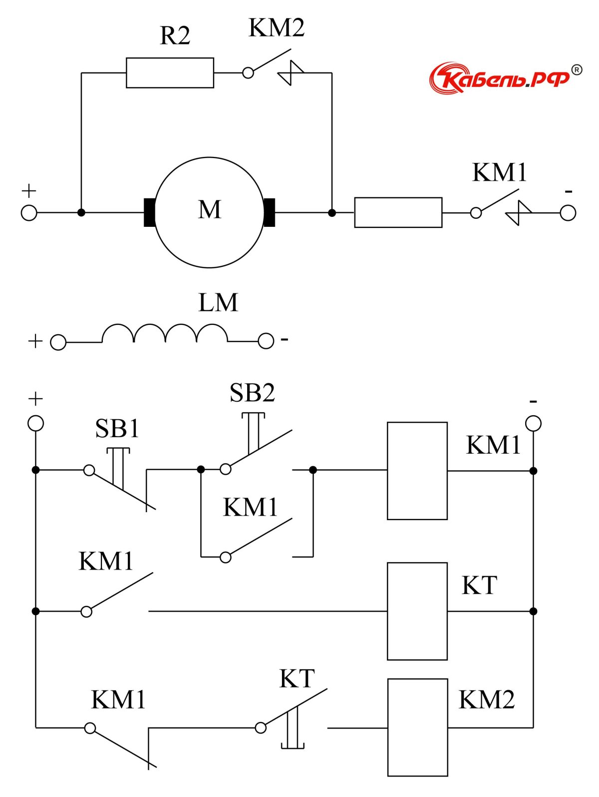
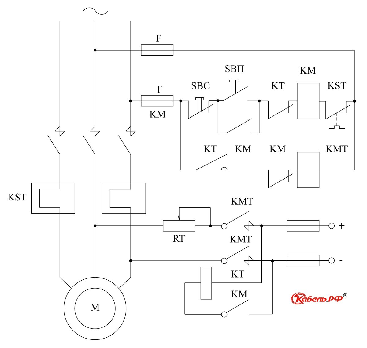
Схема управления пуском и торможением двигателя постоянного тока
Схема управления пуском и торможением двигателя постоянного тока





Гибридный двигатель Тойота Приус

Фото: Гибридный двигатель Тойота Приус






Тойота Приус гибрид схема трансмиссии
Тойота Приус гибрид схема трансмиссии

Безусловное торможение условных рефлексов
Безусловное торможение условных рефлексов







Рекуперация в автомобиле
Рекуперация в автомобиле

Рекуперация электромобиля
Рекуперация электромобиля



Блок тормозного оборудования 2эс6
Блок тормозного оборудования 2эс6



81-717.5П кабина
81-717.5П кабина

Дисковые тормоза Кнорр Бремзе для вагонов
Дисковые тормоза Кнорр Бремзе для вагонов

Схема рекуперации электричества электродвигателя
Схема рекуперации электричества электродвигателя



Эп2д схема
Эп2д схема



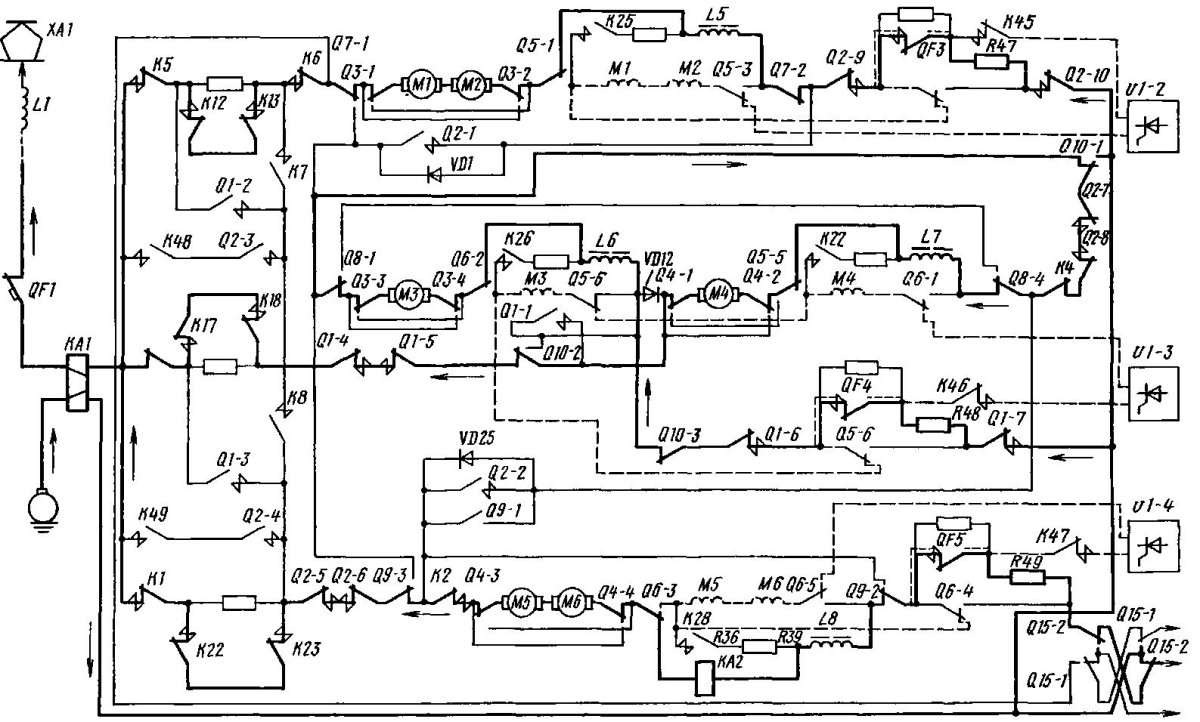
Тяговый преобразователь электровоза
Тяговый преобразователь электровоза





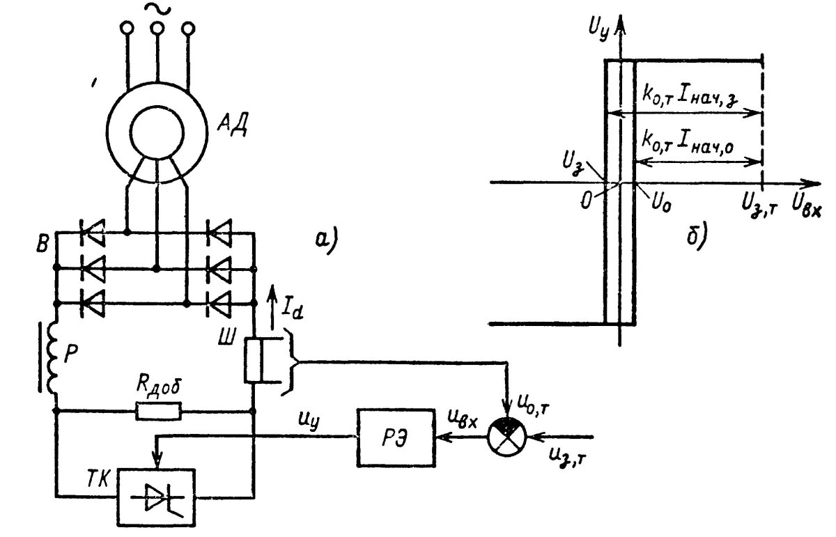
Схема динамического торможения асинхронного двигателя
Схема динамического торможения асинхронного двигателя

Генераторный режим асинхронного двигателя график
Генераторный режим асинхронного двигателя график



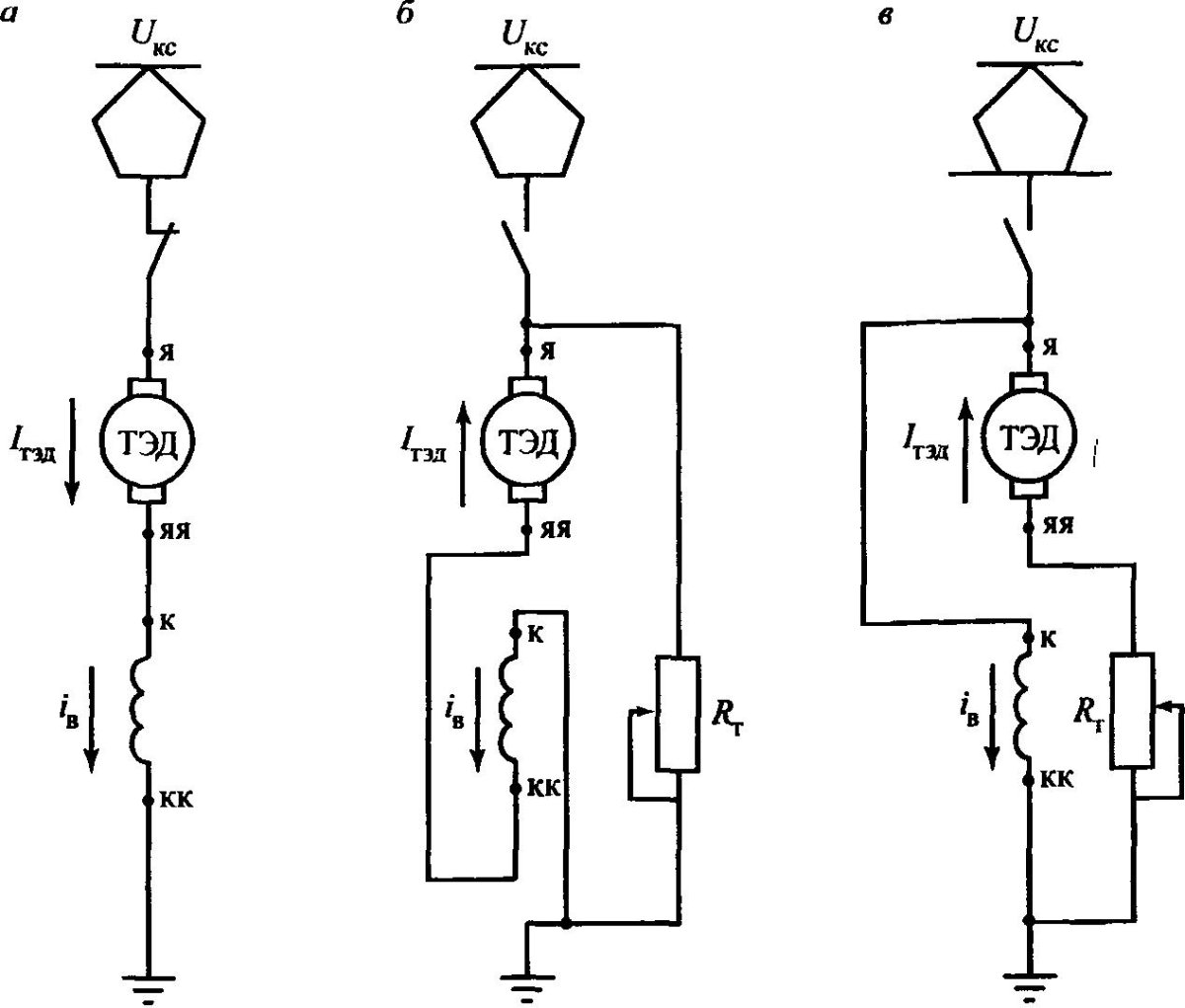
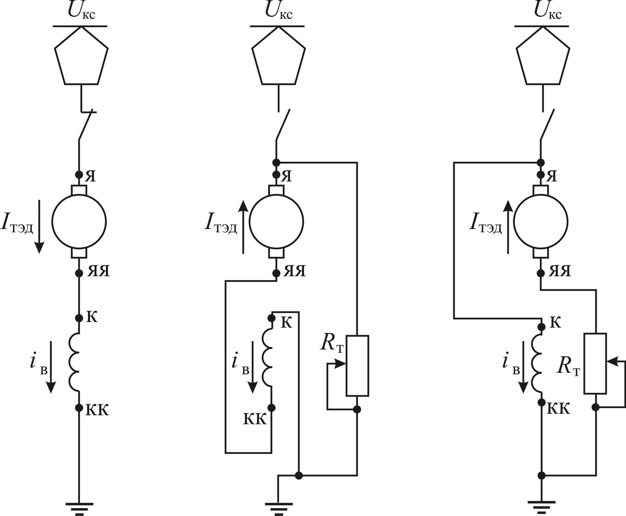
Способы регулирования частоты ДПТ.
Способы регулирования частоты ДПТ.

Схема частотного преобразователя 3х380в
Схема частотного преобразователя 3х380в

Тележка эп20 тормоза
Тележка эп20 тормоза

Силовая цепь эп2к
Силовая цепь эп2к



Рекуперативная тормозная система
Рекуперативная тормозная система

Схема преобразования энергии ЭПС
Схема преобразования энергии ЭПС

Схема включения динамического торможения асинхронного двигателя
Схема включения динамического торможения асинхронного двигателя

Опыт Сеченова с лягушкой
Опыт Сеченова с лягушкой

Похожие фото:

Комментарии
Минимальная длина комментария - 50 знаков. комментарии модерируются
Кликните на изображение чтобы обновить код, если он неразборчив